onsemi / Fairchild FOD8314 Gate Drive Optocouplers
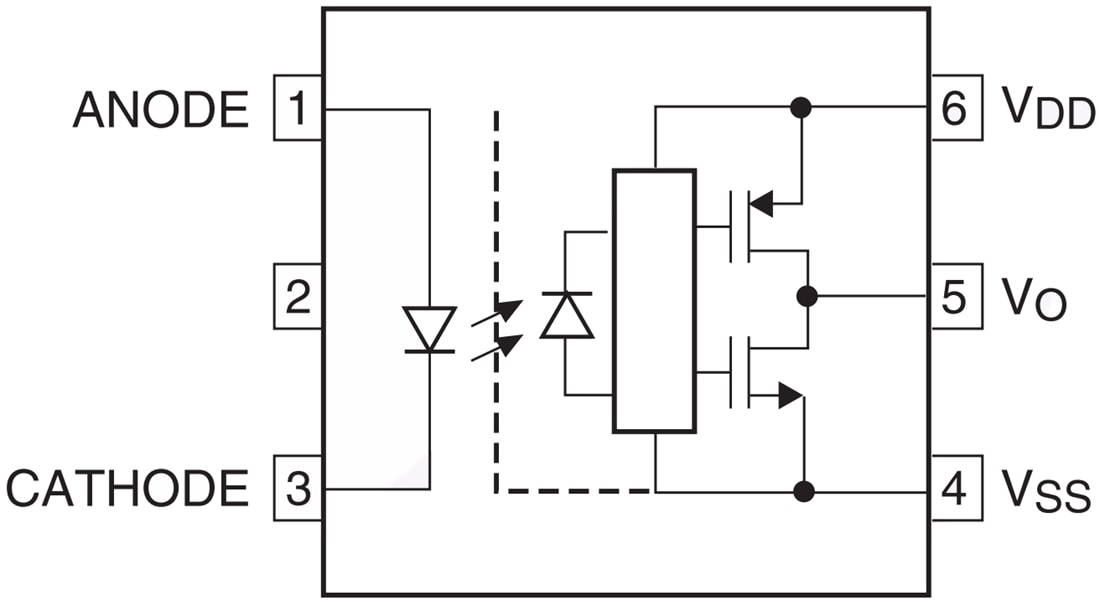
onsemi / Fairchild FOD8314 Gate Drive Optocouplers are 1.0A output current gate drive optocouplers capable of driving medium-power IGBT/MOSFETs. They're ideally suited for fast-switching driving of power IGBTs and MOSFETs used in motor-control inverter applications and high-performance power systems. The FOD8314 series utilizes a stretched body package to achieve 8mm creepage and clearance distances (FOD8314T).The onsemi / Fairchild FOD8314 series has an optimized IC design that achieves reliable high-insulation voltage and high-noise immunity. They consist of an Aluminum Gallium Arsenide (AlGaAs) Light-Emitting Diode (LED) optically coupled to an integrated circuit with a high-speed driver for the push-pull MOSFET output stage.
The device is housed in a stretched body, 6-pin, small outline, plastic package.
Features
- FOD8314T - 8mm creepage and clearance distance, and 0.4mm insulation distance to achieve reliable and high-voltage insulation
- 1.0A output current driving capability for medium-power IGBT/MOSFET
- Use of P-channel MOSFETs at output stage enables output voltage swing close to supply rail
- 20kV/μs minimum common mode rejection
- 15V to 30V wide supply voltage range
- Under-Voltage Lockout (UVLO) with hysteresis
- Fast switching speed over full operating temperature range
- 500ns maximum propagation delay
- 300ns maximum pulse width distortion
- -40°C to 100°C extended industrial temperate range
- Safety and regulatory approvals
- UL1577, 5,000 VRMS for 1 minute,
- DIN EN/IEC60747-5-5, 1, 140V peak working insulation voltage
Applications
- AC and brushless DC motor drives
- Industrial inverter
- Uninterruptible power supply
- Induction heating
- Isolated IGBT power MOSFET gate driver
Functional Schematic
發佈日期: 2015-09-29
| 更新日期: 2022-03-11
