onsemi / Fairchild QRE1113 Miniature Reflective Object Sensors
onsemi / Fairchild QRE1113 Miniature Reflective Object Sensors offer through-hole (QRE1113) or SMT Gull Wing (QRE1113GR) lead form options. onsemi / Fairchild QRE1113 sensors come in a miniature package and feature a phototransistor output and no contact surface sensing.Features
- Phototransistor output
- No contact surface sensing
- Miniature package
- Two leadform options
- Through hole (QRE1113)
- SMT gull wing (QRE1113GR)
Development Tool
MikroElektronica MIKROE-1999 Line Follower Click Board carries an array of QRE miniature reflective object sensors for communicating with a target MCU.
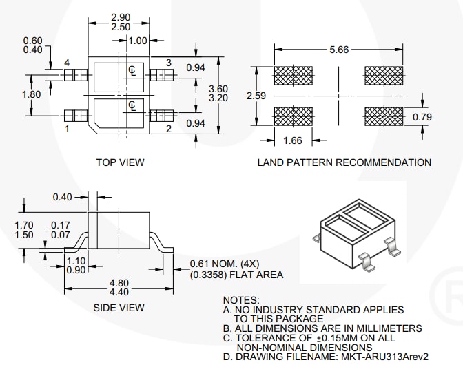
Gull Wing Dimensions
Through Hole Dimensions
發佈日期: 2016-01-19
| 更新日期: 2022-03-11
