onsemi NFAM3065L4B/NFAM5065L4B Intelligent Power Modules
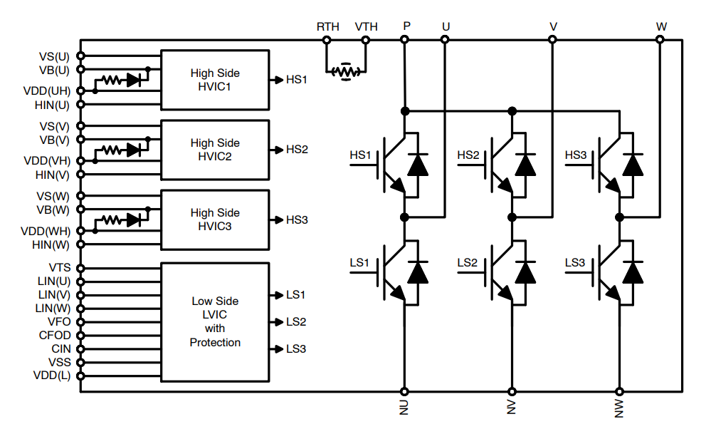
onsemi NFAM3065L4B/NFAM5065L4B Intelligent Power Modules are an advanced Motion SPM offering a fully-featured, high-performance inverter output stage for AC Induction, BLDC, and PMSM motors. The fully integrated inverter power modules have an independent high-side gate driver, LVIC, six IGBTs, and a temperature sensor (VTS or Thermistor (T)). The six IGBTs are configured in a three-phase bridge with separate emitter connections for the lower legs, allowing maximum flexibility in the choice of the control algorithm.The built-in, high-speed HVIC requires only a single supply voltage and translates the incoming logic-level gate inputs to the high-voltage, high-current drive signals required to properly drive the module's internal IGBTs. onsemi NFAM3065L4B/NFAM5065L4B Modules' power stage provides under-voltage lockout protection (UVP). The devices feature internal boost diodes for high-side gate boost drive.
Features
- Three-phase 650V, 30A/50A IGBT modules with independent drivers
- Active logic interface
- Built-in UVP
- Integrated bootstrap diodes and resistors
- Separate low-side IGBT emitter connections for individual current sensing of each phase
- Temperature sensor (VTS or thermistor (T))
- UL: E339285
- Lead-free
Applications
- Industrial drives
- Industrial pumps
- Industrial fans
- Industrial automation
Application Schematic
發佈日期: 2019-11-07
| 更新日期: 2025-06-16
