onsemi Three-Level NPC Q2Pack & Q2BOOST Modules
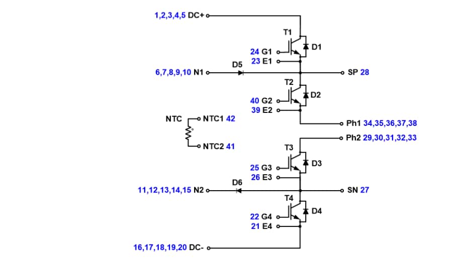
onsemi NXH350N100H4Q2F2 Three-Level NPC Q2Pack Modules are power integrated modules (PIM) containing a single I-type NPC stage. The I-type NPC stage includes 100A, 1200V SiC diodes for the neutral point clamps, 350A, 1000V IGBTs for the outer IGBTs and 400A, 1000V IGBTs for the inner IGBTs. The onsemi NXH350N100H4Q2F2 Q2Pack Module offers higher output power than other 1200V IGBT solutions and contains an onboard thermistor. onsemi Q2BOOST Module provides excellent efficiency and thermal losses with the flexibility to support different manufacturing processes.Features
- Highly efficient trench with field stop technology
- Low switching loss reduces system power dissipation
- Module design offers high power density
- Low inductive layout
- Low package height
- Lead-free, halogen-free/BFR-free, and RoHS compliant
Applications
- Solar inverters
- Uninterruptable power supply systems
Schematic Diagram
Pin Connection
發佈日期: 2020-09-25
| 更新日期: 2025-07-24
