onsemi NCP51530 MOSFET閘極驅動器
安森美 (onsemi) NCP51530 MOSFET閘極驅動器是適用於AC/DC電源供應器和變頻器的高頻率、700V、2A高側和低側驅動器。NCP51530在高工作頻率下提供低傳播延遲、低靜態電流及低開關電流。這些NCP51530驅動器適用於在高頻率下作業的高效率電源供應器。NCP51530驅動器有兩種版本:NCP51530A和NCP51530B。NCP51530A驅動器的典型傳播延遲為60ns,而NCP51530B的典型傳播延遲為25ns。典型應用包括用於伺服器、電信與工業的高密度SMPS;半橋/全橋和LLC轉換器;主動箝位反激式/正激式轉換器;太陽能變換器,以及電動轉向。特點
- 高達700V電壓
- NCP51530A:
- 典型60ns傳播延遲
- NCP51530B:
- 典型25ns傳播延遲
- 低靜態和工作電流
- 15ns上升和下降時間
- 2.2A/1.7A源/灌電流
- 雙通道欠壓鎖定
- 相容於3.3V和5V輸入邏輯
- dv/dt抗擾度高達50V/ns
- 與業界標準半橋IC的腳位相容
- 匹配的傳播延遲(最大7ns)
- 橋接引腳具有高負瞬態抗擾性
- DFN10封裝提供改善的爬電距離和外露焊墊
應用
- 伺服器、電信和工業用高密度SMPS
- 半橋/全橋和LLC轉換器
- 主動式箝位反激式/正激式轉換器
- 太陽能逆變器和馬達控制
- 電動轉向
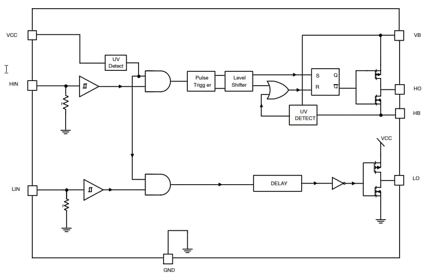
NCP51530閘極驅動器方塊圖
View Results ( 2 ) Page
| 零件編號 | 規格書 | 說明 | 輸出電流 | 輸出數 | 運作供電電流 |
|---|---|---|---|---|---|
| NCP51530ADR2G | ![]() |
閘極驅動器 700V HALF BRIDGE DRIVER | 3.5 A | 2 Output | 2 mA |
| NCP51530BDR2G | ![]() |
閘極驅動器 700V HALF BRIDGE DRIVER | 3.5 A | 2 Output | 2 mA |
發佈日期: 2018-07-03
| 更新日期: 2025-03-04

