onsemi NCP81239/A USB PD控制器
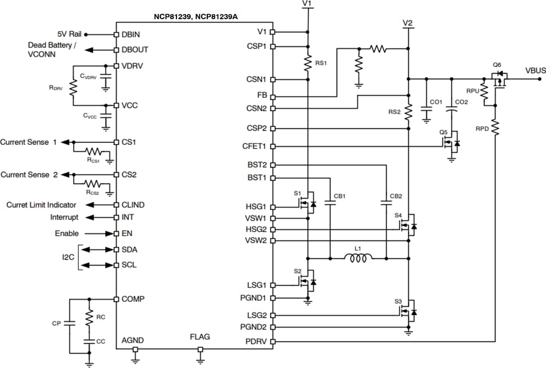
onsemi NCP81239/A USB PD是一種同步升降控制器,優化後可將電池或適配器電壓透過標準及Type-C USB介面轉換為USB PD(供電)所需的電源軌。NCP81239搭配USB PD或Type-C介面控制器時,完全相容於USB供電規格。NCP81239設計用於需要動態受控轉換速率限制輸出電壓的應用,此類應用要求的電壓需高於或低於輸入電壓。NCP81239驅動4個NMOSFET開關以實現升壓或降壓,支持消費者及提供商角色互換功能。該裝置的供電及負載範圍為4.5V至28V,可將電池或適配器電壓轉換為電源軌。該4開關升降壓控制器擁有I2C介面。NCP81239/A USB PD控制器採用小巧的方型扁平無印腳(QFN)封裝,是空間受限應用的理想之選。
特點
- 4.5V至28V的寬輸入電壓範圍(VI)
- 150kHz至1.2MHz的動態可編程頻率
- I2C介面
- 即時電源良好指示
- 轉換速率受控型電壓轉換
- 帶有內部可編程參考的回饋引腳
- 支持USBPD、QC2.0及QC3.0配置文檔
- 兩個獨立電流感應輸入
- 過熱保護
- 自適應非交疊柵極驅動器
- 濾波電容器開關控制
- 過電壓及過電流保護
- 無電電池電源支援
- 150°C最高結溫度(TJ)
- -40°C至100°C操作溫度範圍(TA)
- QFN-32封裝
- 5mm x 5mm封裝尺寸
- 無鉛
應用
- 筆記型電腦、平板電腦、桌上型電腦
- 智慧型電話
- 外置電池
- 擴展塢
- 監視器、電視、機頂盒
- 消費性電子產品
- 車載充電器
- 擴展塢
結構圖
典型應用電路
封裝綱要
發佈日期: 2017-03-28
| 更新日期: 2022-03-11
