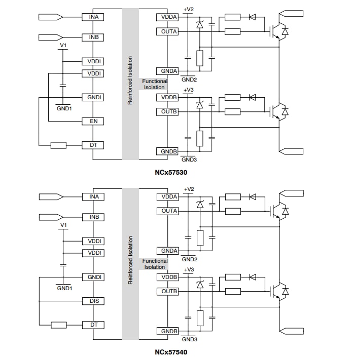
安森美NCx575x0隔離式雙通道閘極驅動器允許輔助輸入,且提供獨立的停用 (NCx57540) 或啟用 (NCx57530) 和死區時間控制腳位,以方便系統設計。
NCx575x0驅動器採用CASE 752AJ SOIC−16寬體封裝,以強化通道間的隔離。
特點
- 高峰值輸出電流(±6.5A、±3.5A)
- 可配置為雙低側、雙高側或半橋驅動器
- 為所有電源供應器提供嚴格的UVLO閾值
- 從輸入到每個輸出2.5kVRMS或5kVRMS的電流隔離,以及輸出通道之間1.5kVRMS的差分電壓
- 短傳播延遲,精準匹配
- 邏輯輸入:3.3V、5V和15V
- 可編程重疊或死區時間控制
- 停用/啟用腳位,可關閉電源定序輸出
- 短路時的IGBT閘極箝位
應用
- 汽車
- 工業
- EV充電器
- 不斷電系統 (UPS)
- 工業電源供應器
- 太陽能逆變器
NCx57530簡化方塊圖
NCx57540簡化方塊圖
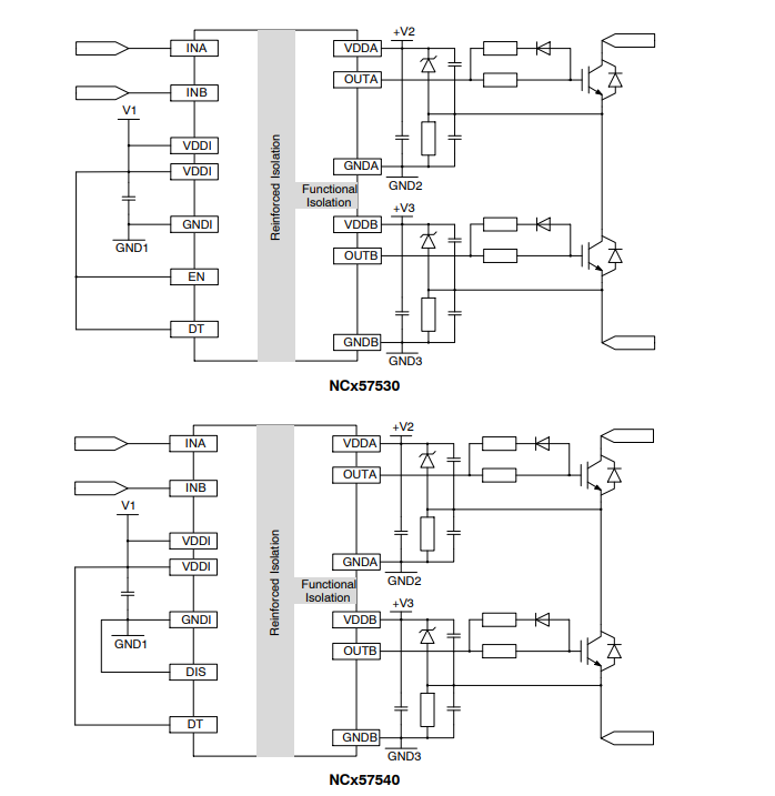
具死區時間的典型應用
不具死區時間的典型應用
發佈日期: 2022-11-14
| 更新日期: 2024-05-29

