onsemi NTH4L018N075SC1 N通道SiC MOSFET
安森美 (onsemi) NTH4L018N075SC1 N通道碳化矽 (SiC) MOSFET是一款低導通電阻、750V M2 EliteSiC MOSFET,採用輕巧型TO247-4L封裝。此SiC MOSFET支援低電容 (Coss = 365pF) 的高速開關、內接二極體的零反向恢復電流和Kelvin源極組態。NTH4L018N075SC1 SiC MOSFET具有QG(tot) = 262nC的超低閘極電荷、-8V/+22V閘極至源極電壓,和500W功耗。典型應用包括太陽能逆變器、EV充電站、儲能系統、不斷電系統 (UPS) 和開關式電源供應器 (SMPS)。NTH4L018N075SC1 SiC MOSFET具有高開關效能、高可靠性、高效率、更高的功率密度、更低的EMI,和更小的系統尺寸。此SiC MOSFET通過100%突崩測試,作業溫度範圍為-55°C至175°C。此N通道SiC MOSFET不含鹵素、符合無鉛2LI,並符合RoHS指令(含豁免7a)。
特點
- 汲極至源極導通電阻:
- VGS = 18V時典型RDS(on)為13.5mΩ
- VGS = 15V時典型RDS(on)為18mΩ
- 超低閘極電荷 (QG(tot) = 262nC)
- 低電容高速開關 (Coss = 365pF)
- 汲極至源極電壓:750V
- 內接二極體的零反向恢復電流
- Kelvin Source組態
- 閘極至源極電壓範圍:-8/+22V
- 通過100%突崩測試
- 作業接面與存放溫度範圍:-55°C至175°C
- 不含鹵素、符合RoHS指令(含豁免7a)
- 符合無鉛2LI(二級互連)
應用
- 太陽能逆變器
- 電動車充電站
- 不斷電系統 (UPS)
- 儲能系統
- 交換式電源供應器 (SMPS)
- 工業
示意圖
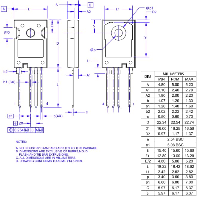
尺寸圖
其他資源
發佈日期: 2024-07-29
| 更新日期: 2024-08-22
