onsemi NTH4L028N170M1 1700V EliteSiC MOSFET
onsemi NTH4L028N170M1 1700V EliteSiC MOSFET provides reliable, high-efficiency performance for energy infrastructure and industrial drive applications. The onsemi EliteSiC MOSFET features planar technology that works reliably with negative gate voltage drives and turns off spikes on the gate. This device has optimum performance when driven with a 20V gate drive but also works well with an 18V gate drive.At a test condition of 1200V at 40A, the 1700V EliteSiC MOSFET achieves a gate charge (Qg) of 200nC, compared to equivalent competitive devices that are closer to 300nC. A low Qg is critical to achieving high efficiency in fast switching, high-power renewable energy applications.
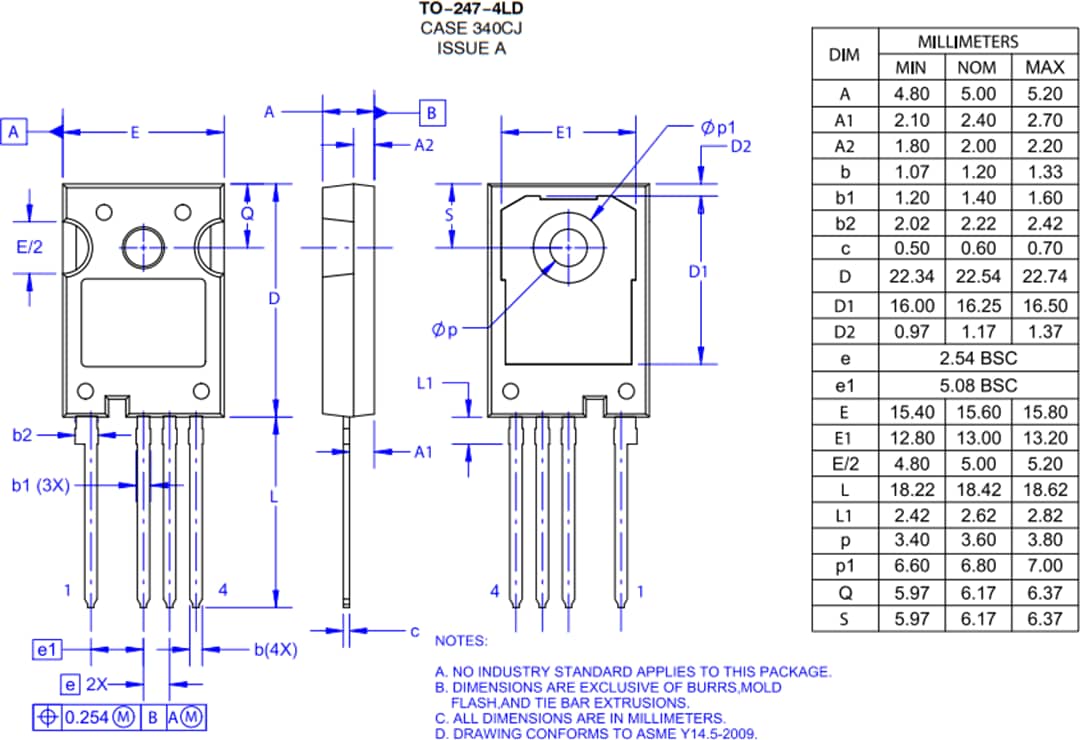
The onsemi NTH4L028N170M1 1700V EliteSiC MOSFET is housed in a TO247-4L package with a Kelvin source connection on the fourth pin that improves turn-on power dissipation and gate noise.
Features
- Typ. RDS(on) = 28mΩ @ VGS = 20V
- Ultra-low gate charge (QG(tot) = 200nC)
- High-speed switching with low capacitance (Coss = 200pF)
- 100% avalanche tested
- TO247-4L package
- Pb-free and RoHS compliant
Applications
- UPS
- DC/DC converter
- Boost converter
Videos
Package Outline
發佈日期: 2022-11-10
| 更新日期: 2024-06-19
