onsemi NVMx & NVTx Power MOSFETs
onsemi NVMx and NVTx Power MOSFETs are AEC−Q101 Qualified and offer compact and efficient solutions for automotive applications. NVMx and NVTx Power MOSFETs offer Low RDS(on) to minimize conduction losses and low QG and Capacitance to minimize driver losses. These onsemi single N-Channel MOSFETs are housed in a compact, SO-8FL, and WDFN8 packages and are Pb−Free, Halogen Free/BFR Free, and RoHS Compliant.
Features
- Small footprint
- Low RDS(on) to minimize conduction losses
- Low QG and Capacitance to minimize driver losses
- Wettable flank option for enhanced optical inspection
- AEC−Q101 qualified
- Pb−free
- Halogen-free/BFR free
- RoHS compliant
Applications
- Solenoid drivers
- ABS
- Fuel injection
- Load switches
- ECU
- Chassis
- Motor control
- Wipers
- Fans
- Seats
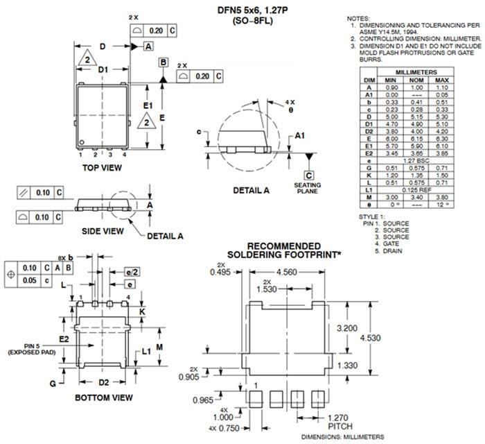
DFN5 (SO-8FL) Package Dimensions
WDFN8 Package Dimensions
發佈日期: 2017-05-16
| 更新日期: 2025-11-11
