onsemi NXH008T120M3F2PTHG Silicone Carbide (SiC) Module
onsemi NXH008T120M3F2PTHG Silicone Carbide (SiC) Module is a T-type neutral point clamped converter (TNPC) module based on 1200V M3S Planer SiC MOSFETs. NXH008T120M3F2PTHG is optimized for fast-switching applications. Planar technology works reliably with negative gate voltage drive and turn-off spikes on the gate. This module exhibits optimum performance when driven with a 20V gate drive but also works well with an 18V gate drive.Features
- 8mΩ, 1200V M3S SiC MOSFET TNPC topology
- HPS DBC
- Thermistor
- Options with/without pre-applied Thermal Interface Material (TIM)
- Options with solderable pins and press-fit pins
- Lead-free, Halide-free, and RoHS compliant
Applications
- Solar inverters
- Uninterruptible power supplies
- Electric vehicle charging stations
- Industrial power
Specifications
- SiC MOSFET
- 300µA maximum zero gate voltage drain current
- 8.5mΩ to 15mΩ typical drain-source on resistance
- 1.8V to 4.4V gate-source threshold voltage
- ±600nA gate leakage current
- Typical capacitance
- 9129pF input
- 39pF reverse transfer
- 493pF output
- 454nC typical total gate charge
- 43nC typical gate-source charge
- 101nC typical gate-drain charge
- 41.5ns typical turn-on delay
- 20.6ns typical rise time
- 137ns typical turn-off delay time
- 15ns fall time
- Typical switching loss per pulse
- 0.60mJ turn-on
- 0.26mJ turn-off
- 4.0V to 4.8V diode forward voltage
- Typical thermal resistance
- 0.256°C/W chip-to-case
- 0.451°C/W chip-to-heatsink
- Thermistor
- 5kΩ to 159.5Ω nominal resistance range
- ±5% deviation of R100
- Typical power dissipation
- 0.1mW recommended limit
- 34.2mW absolute maximum
- 1.4mW/K constant
- Typical B-value, ±2% tolerance
- 3375K if B(25/50)
- 3436K if B(25/100)
- 160µm ±20µm TIM layer thickness
- Insulation
- 4800VRMS maximum isolation test voltage for 1s at 60Hz
- 12.7mm maximum creepage distance
- 600 maximum CTI
- HPS substrate ceramic material, 0.38mm thick
- 0.18mm maximum substrate warpage
- -40°C to +150°C operating junction temperature range
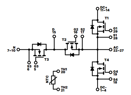
Schematic
Additional Resources
發佈日期: 2023-12-19
| 更新日期: 2024-07-31
