Sharp Microelectronics GH05230H2KC Green Laser Diode

Sharp Microelectronics GH05230H2KC Green Laser Diode is an InAlGaN multiple quantum 30mW output power single-mode diode housed in a ϕ5.6mm TO-CAN package. This laser diode features a 520nm wavelength, 25mA threshold current, and 70mA operating current. The GH05230H2KC diode operates at 6.5V voltage and offers θ//7°, θ⊥22° far-field FWHM characteristics. This green laser diode exhibits gold-plated leads. Typical applications include computers, measuring equipment, tooling machines, audio-visual equipment, and home appliances.

Features

  • InAlGaN multiple quantum green laser diode
  • 520nm wavelength
  • 6.5V operating voltage 
  • θ//7°, θ⊥22° far-field FWHM characteristics
  • 25mA threshold current and 70mA operating current
  • 30mW output
  • ϕ5.6mm TO-CAN package
  • Gold plated leads

Applications

  • Computers
  • Measuring equipment
  • Tooling machines
  • Audio-visual equipment
  • Home appliances

Performance Graphs

Performance Graph - Sharp Microelectronics GH05230H2KC Green Laser Diode

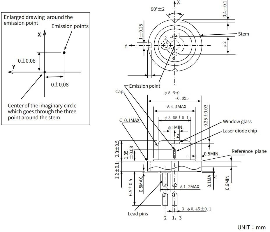
Mechanical Drawings

Mechanical Drawing - Sharp Microelectronics GH05230H2KC Green Laser Diode
發佈日期: 2024-09-24 | 更新日期: 2024-09-30