該裝置具備透過分流電阻或MOSFET RDS(on) 進行電流感測的功能,並支援可程式軟啟動,以及獨立運作模式與跛行回家模式,以提升系統可靠性。該LED驅動器的操作頻率最高可達2MHz,有助於設計體積精巧的電感,同時維持低電磁干擾 (EMI)。此外,透過SPI可程式化設定,單一硬體配置即可因應多種平台,並支援SEPIC模式,輸出電壓低於輸入電壓,特別適用於汽車電池電壓波動的情況。
特點
- 單晶片2相增壓型
- 透過分流電阻或MOSFET的RDS(on)進行電流感測
- 獨立/跛行回家模式
- 內建可程式軟啟動
- 卓越的穩定性和反應時間
- 專為小型輸出電容器設計
- 低EMC輻射
- 操作頻率高達2MHz,有助於減小電感體積
- 支援SEPIC模式
- 4MHz SPI介面,可動態控制系統參數
- 符合48V電池系統標準
- VCC供電範圍:3V至5.5V
- 環境溫度範圍:-40°C至+125°C
- TSSOP-16 WB外殼948F封裝
- 符合ASIL B規範,具備AEC-Q100認證與PPAP能力
- 無鉛、無鹵,且符合RoHS規定
應用
- 遠光燈和近光燈
- 方向燈和日行燈
- 示寬燈或側燈
- 霧燈和靜態轉向照明燈
- 自適應前方照明車燈
- 像素級照明應用
方塊圖
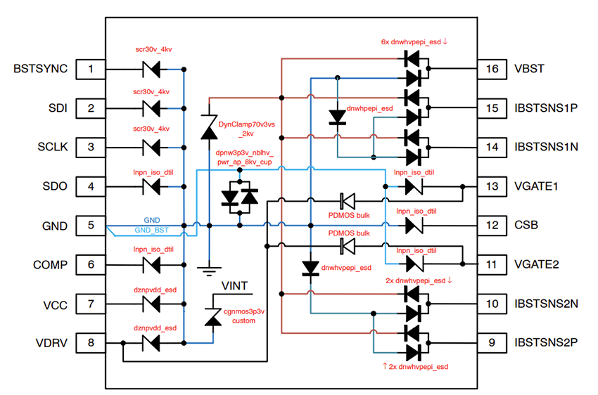
ESD示意圖
SPI連接情境與電源供應策略
發佈日期: 2025-05-22
| 更新日期: 2025-06-02

