Panasonic Industrial Devices AQV25_G3 PhotoMOS®
Panasonic Industrial Devices AQV25_G3 PhotoMOS® are relays that provide a continuous load current of up to 3.5A in a compact DIP package. These modules replace mercury and mechanical relays. This Panasonic AQV25_G3 PhotoMOS series features a 1 Form A Type contact arrangement and high capacity ratings. Typical applications include security equipment, fire-prevention systems, industrial machines, and HVAC, such as thermostats.Features
- High capacity switching
- Low on-resistance (33mΩ typical, AQV252G3) and high sensitivity
- 3.5A maximum continuous load current
- 60V and 100V load voltage
- Dual packaging options
- RoHS and REACH compliant
Applications
- Security equipment
- Fire-prevention systems
- Industrial machines
- Thermostats (HVAC temperature controller)
Videos
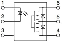
Schematic
Additional Resources
發佈日期: 2018-09-25
| 更新日期: 2024-06-28
