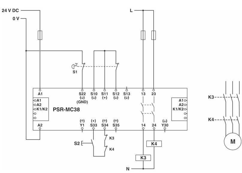
Phoenix Contact PSR-MC38安全繼電器
Phoenix Contact PSR-MC38安全繼電器是用於緊急停止、安全門和光柵的安全繼電器,最高可達 SILCL 3、Cat. 4和PLe。這些安全繼電器具有單通道和雙通道操作功能,以及自動或手動、監控啟動、2個啟用電流通路和1個訊號輸出。Phoenix Contact PSR-MC38繼電器提供TBUS介面,可連接 CONTACTRON Pro混合式馬達起動器和MINI POWER電源供應器。
特點
- 單通道或雙通道操作
- 自動、手動或監控啟動
- 2個啟動電流通路
- 1個訊號輸出
- TBUS介面用於連接Contactron Pro混合式馬達起動器和MINI POWER電源供應器
- 高達Cat. 4/PLe(符合ISO 13849-1)、SILCL 3(符合IEC 62061)、SIL 3(符合IEC 61508)
規格
- 24VDC控制電路供應電壓
- 工作溫度範圍-20°C至+55°C
- 75mA (典型值) 控制電源電壓
- 1.8W (典型值) 消耗功率
相關CONTACTRON Pro起動器
採用混合技術,提供簡單的安全整合及輔助觸點擴展選項。
相關解決方案
適用於基礎架構、遠端存取、乙太網路基礎架構、裝置連線和電力系統的工業物聯網 (IIoT) 解決方案。
發佈日期: 2019-12-04
| 更新日期: 2025-10-07