斷電保護可在輸入電源故障時提供備用的儲存電源。內建的升壓轉換器提供高電壓能量儲存,能將儲存電容器的尺寸要求降到最低。內建的輔助降壓轉換器可將儲存電壓調節至固定輸出電壓。其內部有兩個背對背eFuse FET,用於提供輸入到輸出的雙向隔離。ACT85610也提供熱插拔和湧浪電流控制。
Qorvo ACT85610 PMIC採用6mm2四側無引腳扁平(QFN)封裝,符合無鉛、無鹵素與RoHS標準。
特點
- 高效能的斷電保護
- 寬廣的2.7V至14V作業輸入範圍,14.4V OVP
- 20V最高輸入耐電壓
- 可調式啟動迴轉率
- 湧浪電流控制
- 可設定電源故障等級
- 可程式化10A輸入電流限制
- 可程式化5.5V至31V升壓儲存電壓
- 31V/8A同步降壓支援100%工作週期
- 可程式化、高達2.25MHz的降壓作業頻率,適用於小型電感器
- 從輸入供應轉換到電容器組電源不會讓人察覺
- 相容於不同類型的儲存電容器,包括超級電容器、電解電容器、鉭電容器和POSCAP
- 自主健康狀況監控
- 早期儲存電容器故障偵測
- 儲存電容測量
- 帶有整合FET的高效PMIC
- 4個高電壓DC-DC降壓轉換器
- 整合式同步功率級
- 最高96%效率
- 最佳化的12V單級轉換,輸出最低至6V
- 優異的動態回應
- 專利COT控制演算法
- 小巧的電感器尺寸
- 快速瞬態回應
- 1個高電壓非同步升壓穩壓器
- 1個LDO,含可程式化輸出電壓
- 500kHz至2.0MHz可設定頻率範圍
- 接近恆定的頻率
- 無感測器的過電流保護(OCP)
- 輸出UV和OV偵測
- 陶瓷電容器穩定
- 系統控制與介面
- 專用斷電指示器(PLI)腳位
- 6個可程式化通用型I/O
- I2C序列介面和密碼保護
- ADC關鍵訊號監控
- 獨立開關排序
- 重設/電力良好輸出
- 可透過I2C/GPIO設定電軌開/關
- 輸入功率、UV和OV監控
- 可設定中斷,在有任何故障/狀態變化時通知主機
- 過熱警示和保護
- 系統管理
- 多種GPIO功能
- 監視器監督
- 提供中斷功能
- I2C安全位元,可強化對假造I2C的抗擾性
- 實體特性
- −40°C至+150°C作業接點溫度
- 35°C/W接點與環境熱阻
- 經過熱強化的FCQFN-52封裝
- 封裝尺寸:6mm x 6mm
應用
- 固態硬碟(SSD)
- 備用電源
- 熱插拔裝置
- 工業應用
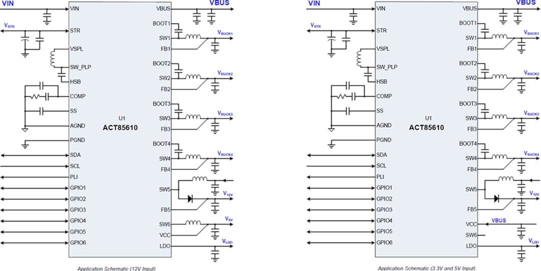
應用示意圖
方塊圖
發佈日期: 2020-02-03
| 更新日期: 2024-08-19

