Radiall Ramses SP6T Cryogenic Quantum Computing Switch
Radiall R583423141 Ramses SP6T Latching Cryogenic Quantum Computing Switch is a D-Sub SMA device with Bipolar Actuator Command designed to meet Industrial cryogenic needs. The R583423141 functions at extremely low temperatures (0 Kelvin/-273°C) and needs very little power for actuation. This switch is the perfect solution for a variety of laboratory applications that experience low temperatures. Composed of a harness with a D-sub connector, it can be easily integrated into equipment.Features
- Based on Ramses concept
- Withstands extremely low temperatures (0 Kelvin/-273°C)
- Easy integration
- Bipolar actuator command option
- Very low power consumption
- Splashproof construction
- 15-pin D-Sub male connector terminals
- RoHS compliant
Specifications
- 6-way
- 0 to 18GHz frequency range
- 50Ω impedance
- 1.20 to 1.50 maximum VSWR range
- 0.20dB to 0.50dB maximum insertion loss range
- 60dB to 80dB minimum isolation range
- 100W to 240W average power range
- 62.5mA nominal current at +25°C (±10%)
- 28V actuator voltage
- 5,000,000 cycles per position durability
- <15ms switching time
- -273°C to +85°C temperature range
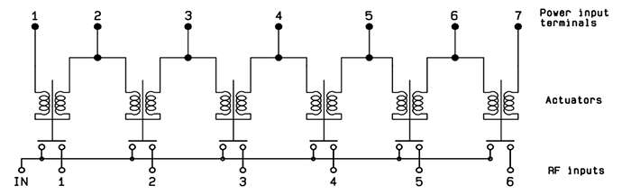
Schematic
Additional Resources
發佈日期: 2022-06-20
| 更新日期: 2024-01-30
