Renesas Electronics ICL3221E RS-232 Interface ICs

Renesas Electronics ICL3221E RS-232 Interface ICs is 3.0V to 5.5V powered RS-232 transmitters/receivers that meet ElA/TIA-232 and V.28/V.24 specifications, even at VCC=3.0V. Additionally, the devices provide ±15kV ESD protection (IEC61000-4-2 Air Gap and Human Body Model) on transmitter outputs and receiver inputs (RS-232 pins).

The ICL3221E features an automatic power-down function that powers down the on-chip power supply and driver circuits. Power-down occurs when an attached peripheral device is shut off or the RS-232 cable is removed, which conserves system power automatically without changes to the hardware or operating system. These devices power up again when a valid RS-232 voltage is applied to any receiver input.

Features

  • ESD protection for RS-232 I/O pins to ±15kV (IEC61000)
  • Drop-in replacement for the MAX3221E
  • Low-power, pin-compatible upgrade
  • RS-232 compatible with VCC=2.7V
  • Meets EIA/TIA-232 and V.28/V.24 specifications at 3V
  • Latch-up free
  • On-chip voltage converters require only four external 0.1µF capacitors at VCC=3.3V
  • Manual and automatic power-down features
  • Receiver hysteresis for improved noise immunity
  • 250kbps Ensured minimum data rate
  • Single +3V to +5.5V wide power supply range
  • 1µA Low supply current in power-down state
  • Pb-free (RoHS compliant)

Applications

  • Any system requiring RS-232 communication ports
  • Battery powered, hand-held, and portable equipment
  • Laptop computers and notebooks
  • Modems, printers, and other peripherals
  • Digital cameras
  • Cellular/mobile phones

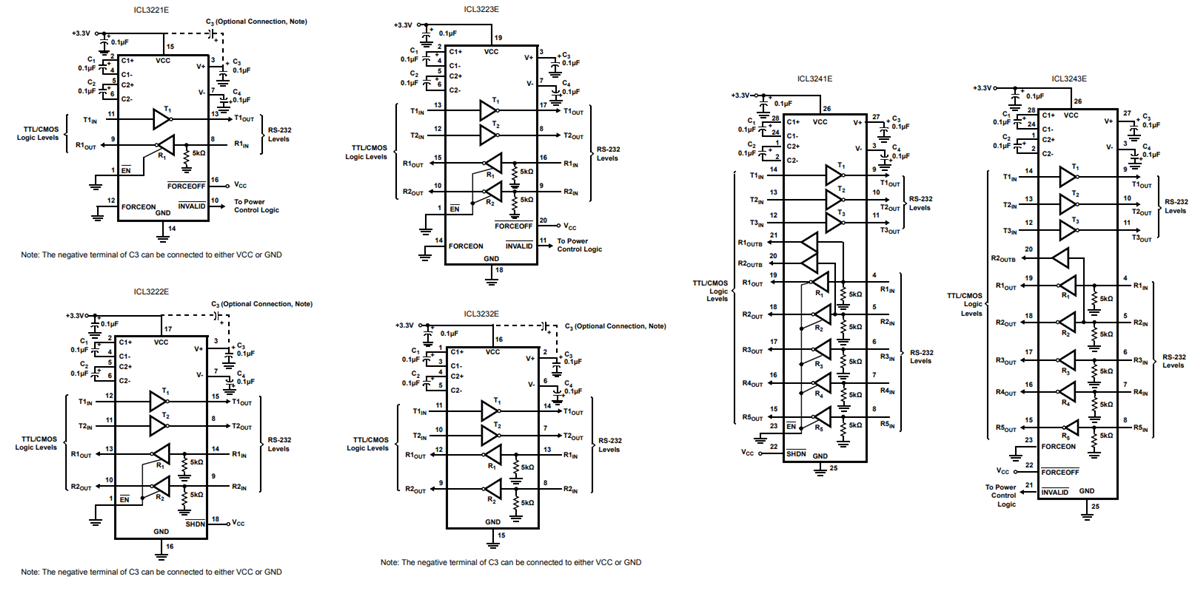
Typical Operating Circuits

Application Circuit Diagram - Renesas Electronics ICL3221E RS-232 Interface ICs
發佈日期: 2020-03-17 | 更新日期: 2024-07-09