Renesas Electronics ISL78083 Automotive Camera Power Management IC

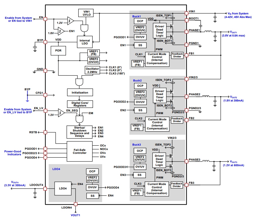
Renesas Electronics ISL78083 Automotive Camera Power Management IC is a versatile multi-rail power IC. It features a primary high-voltage synchronous buck regulator, two secondary low-voltage synchronous buck regulators, and an LDO regulator. It also offers four overvoltage and undervoltage monitors, three power-good indicators, and a reset output/fault indicator. To limit common-cause failures, the ISL78083 also includes a second reference for the OV/UV monitors, independent from the regulators' reference.

Features

  • VIN operating range from 4.0V to 42V with a start range of 4.5V to 42V
  • Fixed switching frequency of 2.2MHz with optional pseudo-random spread spectrum
  • Three synchronous bucks with internal compensation and one LDO
    • Buck1 output range of 3.3V to 5.05V
    • Buck2 output range of 1.0V to 3.3V
    • Buck3 output range of 1.0V to 3.3V
    • LDO4 output range of 2.8V to 3.4V
  • Output UV/OV thresholds, OTP of ±4%, ±6%, ±8%, ±12%
  • OTP power up/down sequence and delay
  • Optional output discharge on Buck2, Buck3, and LDO4
  • Current at VIN input under shutdown of <1µA typical
  • Protection features
    • Input voltage UVLO
    • Output OV/UV
    • Positive and negative current limits on bucks
    • Overcurrent protection on internal and output LDOs
    • Fail-safe controller
    • CRC of OTP registers
    • OTP hiccup or latch-off fault response

Applications

  • Rear and surround view HD automotive cameras
  • Driver monitoring cameras
  • HD dash cam

Block Diagram

Block Diagram - Renesas Electronics ISL78083 Automotive Camera Power Management IC

ISL78083 Automotive PMIC

Renesas Electronics ISL78083 Automotive Camera Power Management IC
發佈日期: 2020-01-14 | 更新日期: 2024-04-15