Renesas Electronics ISL78424EVAL3Z Evaluation Board
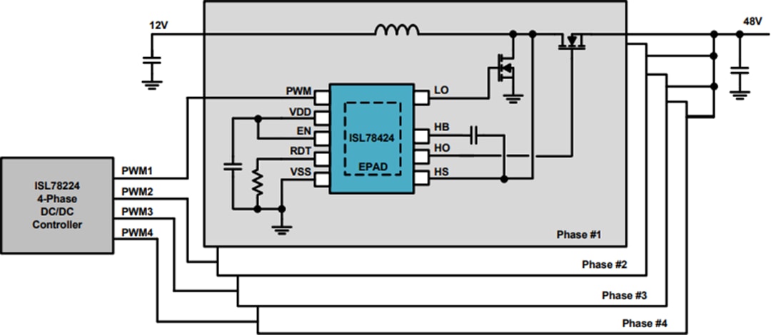
Renesas Electronics ISL78424EVAL3Z Evaluation Board is designed to provide a quick and comprehensive method for evaluating the ISL78424 100V 3A source, 4A Half-bridge Driver for driving the gates of two NMOS FETs in a half-bridge configuration. Two N-channel MOSFETs are included on the evaluation board to evaluate a half-bridge driven load such as a DC motor or a synchronous switching regulator.Features
- 3A source and 4A sink NMOS gate drivers
- Internal level shifter and bootstrap switch for gate driver on high-side FET
- Up to 70V high-side gate drive reference
- -40°C to +140°C ambient temperature range
- 8V to 18V bias supply operation
- Single PWM input for high-side and low-side gate drivers with tri-level for turning off both drivers
- Single resistor adjustable dead time from 35ns to 400ns
Block Diagram
發佈日期: 2018-12-14
| 更新日期: 2023-02-13
