Renesas Electronics RAJ30610x Motor Control ICs
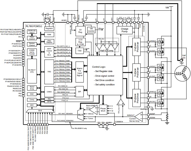
Renesas Electronics RAJ30610x Motor Control ICs are designed for 3-phase brushless DC motors. The Renesas Electronics RAJ30610x integrates a built-in MCU (RL78/G1F) and a pre-driver with features like three half-bridge gate drivers, a 5V regulator, and a current sense amplifier. The RAJ306102 consolidates a smart gate driver (RAA306012) and MCU (RL78/G1F) into a single package. The smart gate driver includes three half-bridge gate drivers, a buck-switching regulator, a charge pump for gate drive voltage, and two LDOs for internal circuitry.Features
- RAJ306001
- 6V to 30V operating power supply voltage
- RAJ306001 TA = -40°C to +85°C operating temperature
- RAJ306001Z TA = -40°C to +105°C
- Low power consumption VM current (excluding 5V/7V regulator and charge-pump): [MCU block]: +5.2mA (HS Mode: fIH = 32MHz, VDD = 5V) [pre-driver block]: + 13.5mA [VM = 22.5V] VM standby current: 64µA (typ.)
- 16-bit CISC CPU (RL78/G1F) CPU
- 64KB, Data Flash 4KB, RAM: 5.52KB Flash ROM
- 2ch, SPI, 2ch, IIc, 2ch, UART: 1ch GSI
- TimersTimer array unit: 1 unit – 16-bit, 4ch
- Timer RD for motor control – 16-bit, 2ch
- Timer RG with encoding function – 16-bit, 1ch
- 64MHz motor control input capture timer (Timer RX)
- 10-bit resolution A/DC converter: 9ch
- GPIO : 28ch, port for input : 2ch
- Built-in 5V regulator
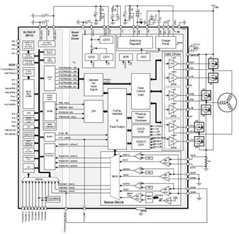
- RAJ306102
- Operating power supply voltage
- VBRIDGE: 6V to 65V (78V abs max)
- Voltage max (VM): 6V to 60V (65V abs max)
- -40°C to 105°C operating ambient temperature
- Supply current
- MCU, VDD current
- HS mode, fIH = 32MHz: 5.2mA
- Smart gate driver
- Operating Mode: 2mA, Sleep Mode: 28μA
- MCU, VDD current
- Extensive protection functions
- 16-bit CISC CPU
- 64KB, Data flash: 4KB, RAM: 5.5KB
- Serial array unit: 2 units (CSI: 2ch, UART: 1ch, I2C: 2ch)
- GPIO: 29 channels - I/O: 27ch, Input: 2ch
- Timer array unit: 1 unit - 16-bit, 4ch
- 10-bit resolution A/D converter input: 11ch
- External interrupt input: 10ch
- Operating power supply voltage
Applications
- Cordless power tools
- Outdoor power equipment
- Vacuum cleaners
- Fans
- Pumps
- Robotics
- Medical equipment
發佈日期: 2023-12-05
| 更新日期: 2024-01-25
