Renesas Electronics RTKA211412DE0000BU Evaluation Board
Renesas Electronics RTKA211412DE0000BU Evaluation Board demonstrates and quickly evaluates the RAA211412, a DC/DC step-down regulator with 630kHz switching frequency. The RAA211412 regulator supports a wide operating input voltage range from 5.8V to 45V and adjustable output voltage. This RAA211412 step-down regulator can deliver a maximum continuous output current of up to 1A. The RTKA211412DE0000BU evaluation board implements a complete buck regulator using the RAA211412.Features
- Simple and flexible design
- Adjustable output voltage
- Convenient power conversion
Specifications
- 5.8V to 45V input voltage range
- 3.3V output voltage
- Up to 1A output current
- 630kHz switching frequency
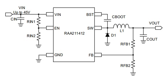
Block Diagram
Board Setup
Schematic Diagram
發佈日期: 2023-06-07
| 更新日期: 2023-07-11
