ROHM Industrial
特點
- 准諧振AC/DC轉換器
- 內建1700V/4A/1.12Ω(標準)碳化矽MOSFET
- 低EMI
- 頻率降低功能
- 輕負載時的突發操作
- 每個週期過電流保護電路
- 過壓保護功能
- VCC過載保護功能
- VCC電壓過低鎖定保護
- 軟啟動功能
應用
- 通用逆變器
- 交流伺服器
- 可編程邏輯控制器 (PLC)
- 工業設備電源
- 家用電器
- 製造設備
- 交流適配器
- 機械人
- 工業照明
規格
- 低電流消耗:19µA(待機)
- 正常工作電流:2000µA(標準)
- 突發工作電流:500µA(標準)
- 工作頻率:120kHz(標準)
- 工作電源電壓範圍:
- 15V至27.5V (VCC)
- 1700V(最小值)漏極
- 6引腳TO220-6M封装,尺寸為10mm x 4.5mm x 25.4mm
Additional Resource
結構圖
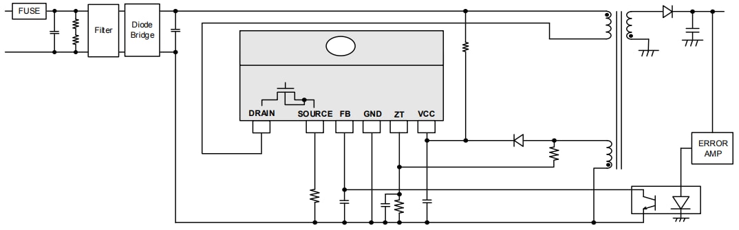
典型應用電路圖
發佈日期: 2019-05-16
| 更新日期: 2024-01-23
