ROHM Semiconductor Quasi-Resonant BD768xFJ DC/DC Converter ICs

ROHM Semiconductor Quasi-Resonant BD768xFJ DC/DC Converter ICs provide an optimum system for all products that include an electrical outlet. The quasi-resonant operation enables soft switching and helps keep EMI low. The built-in brownout function monitors input voltage as part of system optimization while the burst mode function reduces input power at low power. ROHM Quasi-Resonant BD768xFJ DC/DC Converter ICs offer various protection functions, such as soft-start, per-cycle overcurrent protection circuit, overvoltage protection (OVP), undervoltage lockout (UVLO), overload protection, and more. Applications include industrial equipment, AC adaptors, and household appliances.

Features

  • Pin 8: SOP-J8 package (4.90mm x 6mm x 1.65mm, 1.27mm pitch)
  • Quasi-resonant type (low EMI)
  • Frequency reduction mode
  • Low 19μA current consumption during standby
  • Low current consumption when no load (burst operation when light load)
  • 120kHz maximum frequency
  • CS pin leading-edge blanking
  • VCC UVLO
  • VCC OVP
  • ZT OVP
  • ZT trigger mask function
  • Per-cycle overcurrent protection circuit
  • Soft start
  • Voltage protection function (brown out)
  • Gate-clamp circuit

Applications

  • Industrial equipment
  • AC adapters
  • Household appliances

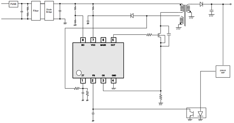
Typical Application Circuit

ROHM Semiconductor Quasi-Resonant BD768xFJ DC/DC Converter ICs

Videos

發佈日期: 2015-06-29 | 更新日期: 2022-03-11