BD9V10xMUF組態
BD9V10xMUF DC/DC轉換器在2 MHz下切換時可實現24:1的高降壓率。這些降壓轉換器可將中度混合動力車中48V電源供應系統目前的兩段式降壓取代為一段式降壓,有助於降低空間需求,簡化電源供應系統的設計。BD9V10xMUF降壓轉換器提供微型化的解決方案,還可避免汽車子系統中的AM無線電干擾。
Nano Pulse Control™
BD9V10xMUF降壓轉換器的電源供應IC具有超短的切換導通時間,只有9 ns,還能實現24:1的降壓率。如此優異的效能,全都仰賴Nano Pulse Control™技術,利用其超快速的脈衝控制電路和高電壓BiCDMOS程序。切換導通時間9 ns,為傳統ROHM產品典型導通時間的1/10。
特點
- Nano Pulse Control™在2.1 MHz下可從60V直接轉換為3.3V
- 切換最短導通時間20 ns(最大值)
- 同步切換穩壓器整合功率MOSFET
- 軟啟動功能
- 電流模式控制
- 過電流保護
- 輸入欠壓鎖定保護和輸入過電壓鎖定保護
- 過熱關機保護
- 輸出過電壓保護
- 短路保護
- 可潤濕側翼QFN封裝
規格
- 16V至60V輸入電壓範圍
- 0.8V至5.5V輸出電壓範圍
- 1A最大輸出電流
- 1.9 MHz至2.3 MHz作業頻率
- ±2%參考電壓準確度
- 0 µA(典型值)關機電路電流
- 作業溫度範圍
- BD9V100MUF-CE2為-40°C至125°C
- BD9V101MUF-LB為-40°C至150°C
應用
- 工業設備
- 消費型電子裝置供電
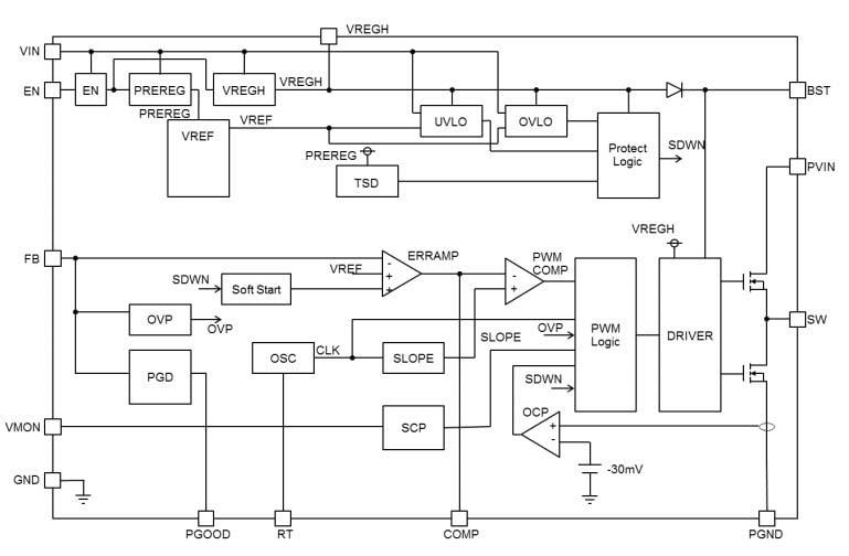
BD9V10xMUF降壓轉換器方塊圖
BD9V10xMUF降壓轉換器應用電路
影片
發佈日期: 2018-04-03
| 更新日期: 2023-02-24
