ROHM Semiconductor BU30SA5WGWZ CMOS Low Dropout Regulator
ROHM Semiconductor BU30SA5WGWZ CMOS Low Dropout Regulator is a single-channel, 500mA LDO with a high ±1.0% output voltage accuracy and a high 70dB ripple rejection. The BU30SA5WGWZ offers excellent noise and load response characteristics despite its low 33µA circuit current consumption. Additional features include a built-in over-current protection circuit (OCP) and a built-in thermal shutdown circuit (TSD).The ROHM Semiconductor BU30SA5WGWZ LDO Regulator is offered in a tiny UCSP30L1-4 package, ideal for space-constrained applications.
Features
- High ±1.0% output voltage accuracy
- High 70dB ripple rejection at 1kHz (Typical)
- Compatible with small ceramic capacitors (Cin = Cout = 0.47µF)
- Low 33µA current consumption
- 1.8V to 5.0V input voltage range
- Output voltage ON/OFF control
- Built-in over current protection circuit (OCP)
- Built-in thermal shutdown circuit (TSD)
- -40℃ to +105℃ operating temperature range
- 0.8mm x 0.8mm x 0.33mm UCSP30L1-4 package
Applications
- Portable devices
- Camera modules
- Electronic devices using microcontrollers or logic circuits
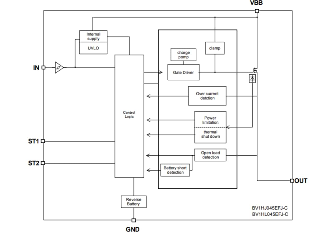
Block Diagram
Typical Application Circuit
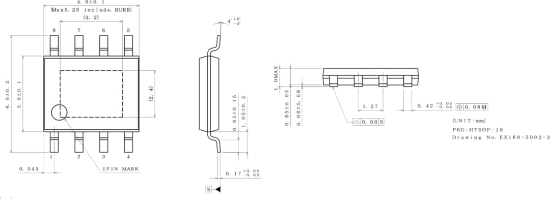
Package Outline
發佈日期: 2021-03-17
| 更新日期: 2022-03-11
