ROHM Semiconductor RB-D62Q2522GD40 Reference Board
The ROHM Semiconductor RB-D62Q2522GD40 Reference Board is a robust development platform featuring the LAPIS ML62Q2522 CMOS 16-bit RISC microcontroller, tailored for various embedded applications. With low power consumption, efficient processing, and integrated peripherals, this board is ideal for automotive systems such as onboard chargers, battery management systems, and DC-DC converters. The ROHM Semiconductor RB-D62Q2522GD40 also supports industrial equipment for factory automation/control and consumer electronics, requiring intelligent and energy-efficient designs. Compatible with ROHM's development tools, the RB-D62Q2522GD40 simplifies prototyping, testing, and optimization, enabling engineers to create innovative and reliable solutions across automotive, industrial, and consumer domains.Features
- Provided with LAPIS ML62Q2522 CMOS 16-bit RISC MCU, 40-pin WQFN
- Mounted with the linked connector to EASE1000 V2
- Through-holes for connecting the pins of LSI to external peripheral boards
- Selectable power supply, supplied from the on-chip emulator EASE1000 V2 or CN1_3pin
- Mounted 32.768KHz crystal
- Mounted LEDs (P20, P21, P22)
- Foot pattern with components for Successive Approximation Type A/D Converter is available (P30, P31, P32, P33)
- Low power consumption
- Internal flash memory and RAM
- Flexible I/O and communication interfaces
- Real-time processing
- 1.8V to 5.5V operating supply range
- Compact form factor, 56mm x 94mm x 15mm (WxDxH) size
Applications
- Consumer electronics
- Industrial equipment
- Automotive systems
- Medical devices
- Smart appliances
Overview
Power Circuit
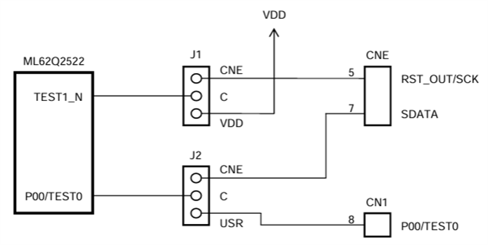
EASE1000 V2 Interface
PCB Layout
發佈日期: 2024-12-30
| 更新日期: 2025-01-07
