ROHM Semiconductor RB-D62Q2722GA64 Reference Board
ROHM Semiconductor RB-D62Q2722GA64 Reference Board, powered by the LAPIS ML62Q2722 CMOS 16-bit RISC MCU, is a versatile platform designed for a wide range of applications requiring low power consumption, enhanced memory, and secure communication. With its integrated peripherals, including ADCs, UART, SPI, I2C, PWM, and an LCD driver, the board is ideal for developing advanced systems in industrial automation, smart home devices, IoT edge nodes, and medical equipment.The ROHM Semiconductor ML62Q2722 MCUs low power design and compact form factor make it especially suited for battery-operated and space-constrained devices. At the same time, its robust processing capabilities support complex firmware for feature-rich applications. This reference board provides a reliable foundation for prototyping and deploying innovative embedded solutions in diverse industries, including energy management, automotive electronics, and consumer technology.
Features
- Provided with the LAPIS ML62Q2722 CMOS 16-bit RISC MCU, 64-pin QFP
- Mounted with the linked connector to EASE1000 V2
- Through-holes for connecting the pins of LSI to external peripheral boards
- Selectable power supply, supplied from the on-chip emulator EASE1000 V2 or CN1_3pin/CN2_2pin
- Mounted 32.768KHz crystal
- Mounted LEDs (P20, P21, P22)
- Foot pattern with components for Successive Approximation Type A/D Converter is available (P23, P24, P25, P26)
- Low power consumption
- Internal flash memory and RAM
- Flexible I/O and communication interfaces
- Real-time processing
- 1.8V to 5.5V operating supply range
- Compact form factor, 56mm x 94mm x 15mm (WxDxH) size
Applications
- Industrial automation
- Smart home and building automation
- Internet of Things (IoT) and wireless
- Healthcare and medical devices
- Consumer electronics
- Energy management and renewable systems
- Automotive electronics
- Prototyping and education
Overview
Power Circuit
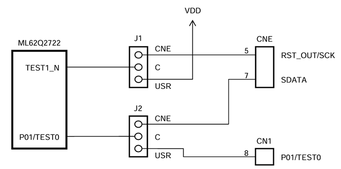
EASE1000 V2 Interface
PCB Layout
發佈日期: 2024-12-31
| 更新日期: 2025-01-29
