Renesas Electronics 8P34S2106A Fanout Buffer
Renesas Electronics 8P34S2106A Fanout Buffer is a high-performance, low-power, and differential dual 1:6 LVDS output 1.8V/2.5V fanout buffer. This buffer is designed for the fanout of high-frequency, very low additive phase-noise clock and data signals. The 8P34S2106A buffer supports the fail-safe operation and features two independent buffer channels, and each channel consists of six low-skew outputs. This 8P34S2106A buffer also features high isolation between channels, 2GHz input clock frequency, and matches AC characteristics across both channels. The 8P34S2106A clock buffer is ideal for switches/routers, medical imaging, professional audio and video, 4.5G and 5G RU, and DU.Features
- Dual 1:6 low skew and low additive jitter LVDS fanout buffers
- Matched AC characteristics across both channels
- High isolation between channels
- Low power consumption
- Both differential CLKA, nCLKA and CLKB, nCLKB inputs accept LVDS, LVPECL, and single-ended LVCMOS levels
Specifications
- 2GHz maximum input clock frequency
- Output amplitudes: 350mV, 500mV, and disable (selectable)
- 10ps typical output bank skew
- 212ps typical output skew
- 45fs typical (fREF = 156.25MHz, 12kHz to 20MHz) low additive phase jitter, RMS
- 1.8V and 2.5V supply voltage range
- Device current consumption (IDD):
- 210mA typical: 1.8V
- 230mA typical: 2.5V
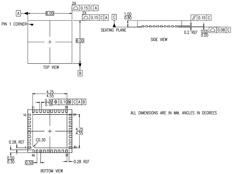
- 40-VFQFPN, 6mm x 6mm x 0.9mm lead-free (RoHS 6) packaging
- -40°C to 85°C ambient operating temperature range
- Supports up to 105°C case temperature
Applications
- 4.5G and 5G RU and DU
- Switches/routers
- Medical imaging
- Professional audio and video
Block Diagram
Dimension Diagram
Additional Reosurces
- Recommended Ferrite Beads - AN-805
- Application Relevance of Clock Jitter - AN-827
- Termination - AC Coupling Clock Receivers - AN-844
- Termination - LVDS - AN-846
- Thermal Considerations in Package Design and Selection - AN-842
- Jitter Specifications for Timing Signals - AN-840
- Differential Input Self Oscillation Prevention - AN-833
- Hot-Swap Recommendations - AN-834
- Differential Input to Accept Single-Ended Levels - AN-836
- Understanding Jitter Units - AN-815
發佈日期: 2023-04-25
| 更新日期: 2023-07-06
