Analog Devices Inc. EVAL-ADA4620-1 Evaluation Board
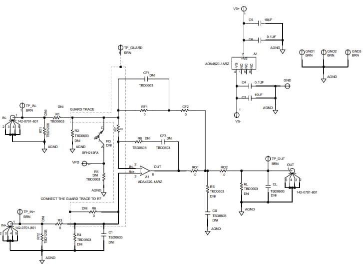
Analog Devices Inc. EVAL-ADA4620-1 Evaluation Board is designed for the ADA4620-1, a 36V, precision JFET op amp in an 8-lead SOIC package. This board is preconfigured with an ADA4620-1 op-amp as a unity-gain follower buffer and features SMA connectors for easy connections on both input and output. This facilitates efficient connections to the test and measurement equipment or external circuits. This four-layer evaluation board's ground plane, component placement, and power supply decoupling are optimized for maximum circuit flexibility and performance. The EVAL-ADA4620-1 board includes provisions for photodiode configurations and filter design. This evaluation board supports diverse applications, including active loop filters, Trans-impedance Amplifiers (TIAs), and charge amplifiers, with unpopulated pads for customization.Features
- Full-featured evaluation board for the ADA4620-1, a 36V, precision JFET op amp
- Provisions for user-defined circuit configuration
- Enables quick prototyping
- Footprint provision for a photodiode for rapid evaluation
- Edge-mounted connectors and test point provisions
Applications
- Active loop filters
- Transimpedance amplifiers (TIA)
- Charge amplifiers
- Electronic test and measurement
- Scientific and field instruments
- Semiconductor test
EV Board Connections
Overview
Schematic Diagram
發佈日期: 2025-01-15
| 更新日期: 2025-02-25
