Infineon Technologies TLE4802 XENSIV™ Inductive Position Sensor
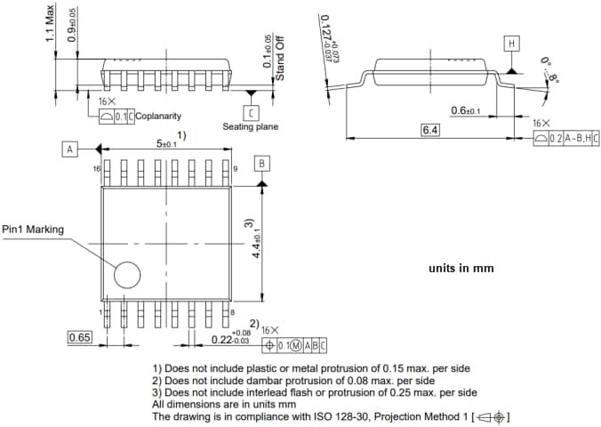
Infineon Technologies TLE4802 XENSIV™ Inductive Position Sensor uses the eddy current method to sense the position of a metallic target above PCB-printed coils. This inductive sensor IC features a Digital Signal Processing (DSP) unit for signal compensation, angle, and torque calculation. The TLE4802 inductive sensor includes two single-wire interfaces, SENT (based on SAE J2716-2016) and SPC, for flexibility and smooth integration. The device consists of protection features such as overvoltage and reverse polarity and is available in a PG-TSSOP-16 SMD package. This inductive position sensor is RoHS compliant and AEC-Q100 qualified. The TLE4802 inductive position sensor is ideal for steering torque sensors and steering angle sensors.Features
- Inductive-based measurement principle
- Dual-angle measurements and computed torque information
- Intrinsic stray field robust according to ISO 11452-8:2015
- ISO 26262:2018 safety element out of context for safety requirements up to ASIL D
- Cybersecurity feature
- SENT (based on SAE J2716-2016) and SPC interfaces
- PG-TSSOP-16 SMD package, Grade 0
- -40°C to 150°C (ambient temperature)
- Overvoltage and reverse polarity protection
- Integrated memory for calibration and configuration
- RoHS compliant
- Halogen-free package
Applications
- Automotive
- Steering torque sensors
- Steering angle sensors
Block Diagram
Dimension Diagram
發佈日期: 2025-05-15
| 更新日期: 2025-10-07
