STMicroelectronics LM2904B Low-Power Dual Operational Amplifier

STMicroelectronics LM2904B Low-Power Dual Operational Amplifier consists of two independent, high gain operational amplifiers (op amps) with frequency compensation implemented internally. They are designed specifically for automotive and industrial control systems. This circuit operates from a single power supply over a wide range of voltages. The STMicroelectronics LM2904B is guaranteed up to 36V supply voltage operation. The low power supply drain is independent of the magnitude of the power supply voltage. Application areas include transducer amplifiers, DC gain blocks, and conventional op-amp circuits, which can now be more easily implemented in single power supply systems. These circuits can be directly supplied from the standard 5V, which is commonly used in logic systems. It quickly provides the required electronic interfaces without requiring any additional power supply. In linear mode, the input common-mode voltage range includes ground, and the output voltage can also swing to ground, even though operated from a single power supply.

Features

  • Up to 36V operating supply voltage
  • Frequency compensation implemented internally
  • 100dB large DC voltage gain
  • 1.2MHz (temperature compensated) wide bandwidth (unity gain)
  • Very low supply current/amplifier, essentially independent of supply voltage
  • 20nA (temperature compensated) low input bias current
  • 2nA low input offset current
  • Input common-mode voltage range includes the negative rail
  • Differential input voltage range equal to the power supply voltage
  • Large output voltage swing 0V to VCC -1.5V

Applications

  • Telecom equipment
  • Power management
  • Industrial application
  • Automotive

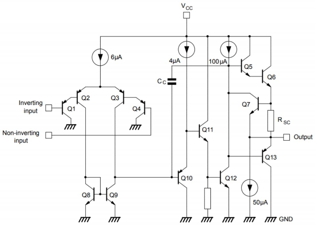
Schematic

Schematic - STMicroelectronics LM2904B Low-Power Dual Operational Amplifier
發佈日期: 2021-07-27 | 更新日期: 2022-03-11