STMicroelectronics ST-ONE Digital Controllers

STMicroelectronics ST-ONE Digital Controllers combine an ARM Cortex M0+ core, an offline programmable controller, and USB PD PHY in a single package. The system is designed to control ZVS non-complementary active clamp flyback converters. This creates high-power-density battery chargers and adapters with a USB-PD interface. The devices include an active clamp flyback controller and its HV startup on the primary side. It also includes a microcontroller and all the peripherals required to control the conversion and the USB-PD communication on the secondary side. The two sides are connected through an embedded galvanically isolated dual communication channel. The STMicroelectronics ST-ONE Digital Controllers are housed in a compact SSOP-36 package ideal for space-constrained applications.

 The ST-ONEHP devices are specifically designed to control high-power-density USB-PD 3.1 EPR-compliant chargers and adapters. These digital controllers are pre-loaded with firmware that handles both the power conversion and the USB-PD 3.1 EPR communication protocols.

Features

  • Non-complementary Active clamp flyback topology allows reaching high power (65W and more) with higher efficiency with respect to QR flyback
  • High power
  • High-frequency operations, together with GaN FET usage allow a magnetic component to be a smaller size
  • Small weight and size
  • High level of integration reduces total BOM
  • Cortex-M0+ core with 64kB embedded flash allows customization of both the USB-PD protocol and the power conversion stage
  • Easy customization
  • The ST-ONE is provided with USB-PD 3.1 PPS certified firmware pre-loaded into the flash memory, a turnkey solution for standard applications
  • SSOP-36 package

Applications

  • USB-PD chargers and adapters up to 100W
  • Smartphones
  • Tablets
  • Laptops
  • Handheld equipment

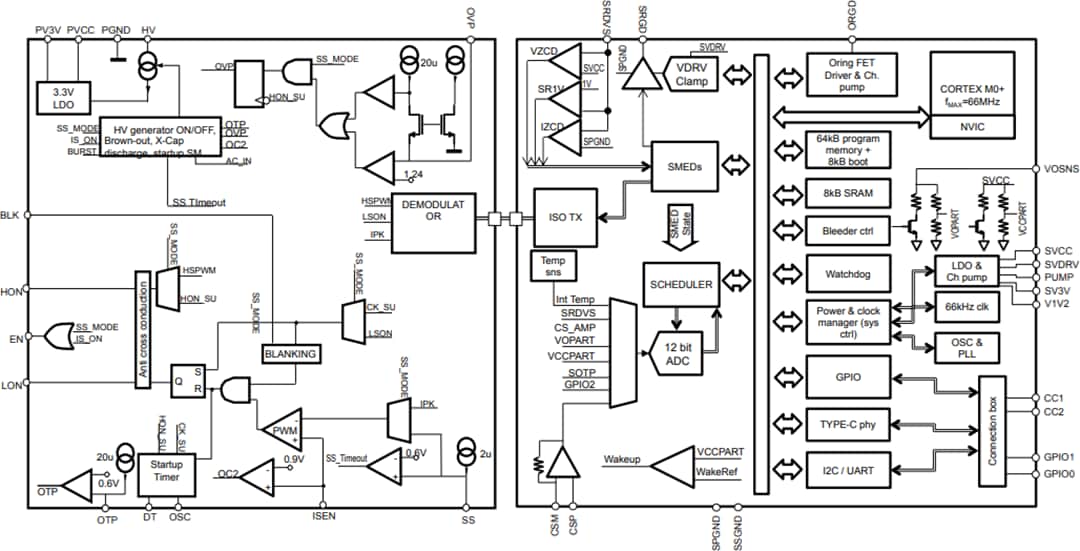
Block Diagram

Block Diagram - STMicroelectronics ST-ONE Digital Controllers

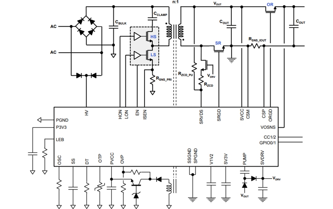
Typical Application Diagram

Application Circuit Diagram - STMicroelectronics ST-ONE Digital Controllers

Package Outline

STMicroelectronics ST-ONE Digital Controllers
發佈日期: 2022-06-02 | 更新日期: 2024-01-31