STMicroelectronics STEVAL-MKI174V1 LIS2DS12 Adapter Board
STMicroelectronics STEVAL-MKI174V1 LIS2DS12 Adapter Board is designed to evaluate LIS2DS12 Micro Electro Mechanical System (MEMS) devices. This adapter board can be plugged into a standard DIL24 socket. The STEVAL-MKI174V1 adapter board provides complete LIS2DS12 pinout and comes ready-to-use with the required decoupling capacitors on the VDD power supply line. The STMicroelectronics STEVAL-MKI174V1 LIS2DS12 Adapter Board is supported by the STEVAL-MKI109V3 motherboard, which includes a high-performance 32-bit microcontroller which bridges between the sensor and a PC. The downloadable Unico Graphical User Interface (GUI), or dedicated software routines for customized applications are used on the PC.Features
- Complete LIS2DS12 pinout for a standard DIL24 socket
- Fully compatible with the STEVALMKI109V3 motherboard
- RoHS compliant
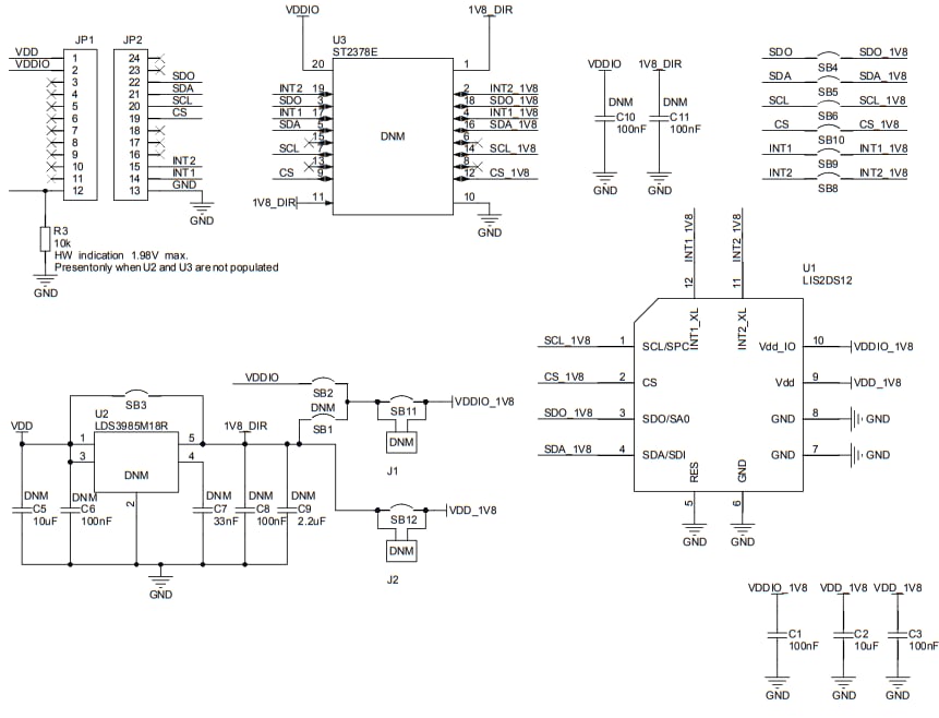
Schematic Diagram
發佈日期: 2018-09-11
| 更新日期: 2023-02-20
