STMicroelectronics STSPIN830 Motor Driver

STMicroelectronics STSPIN830 Motor Driver is a compact, versatile, field-oriented-control, FOC-ready, three-phase motor driver. The STSPIN830 is housed in a 4mm x 4mm QFN package with control logic and a fully protected low RDS(ON) triple half-bridge power stage. The driver features a dedicated MODE input pin for the freedom to decide whether to drive it through 6 inputs (one for each power switch) or a more common 3PWM direct driving inputs. The STSPIN830 supports single and three shunts architectures and embeds a PWM current controller based on user settable values of reference voltage and OFF time.

Features

  • Operating voltage from 7V to 45V
  • Maximum output current 1.5Arms
  • RDSon HS + LS = 1Ω typ.
  • Supporting both single and three shunts architectures
  • Current control with adjustable OFF time
  • Current sensing based on external shunt resistors
  • Flexible driving methodology user settable between 6 inputs (high side and low side driving) and 3 inputs (direct PWM driving)
  • FOC compatible thanks to three shunts sensing topology support
  • Full protections set
  • Non-dissipative overcurrent protection
  • Short-circuit protection
  • Undervoltage lockout
  • Thermal shutdown
  • Interlocking function
  • Low standby current consumption

Applications

  • Industrial robotics
  • Medical and health care
  • Factory automation end-points
  • Home appliances
  • Small pumps
  • Server, computing, and general purpose FANs
  • Office and home automation

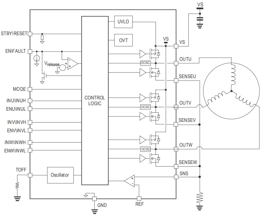
STSPIN830 block diagram

Block Diagram - STMicroelectronics STSPIN830 Motor Driver
發佈日期: 2018-07-11 | 更新日期: 2023-02-12