STMicroelectronics TS3121/TS3121A Automotive Single Comparators

STMicroelectronics TS3121/TS3131A Automotive Single Comparators offer a high-speed response with low power consumption, operating over a supply voltage range of 1.8V to 5.5V. The STMicroelectronics TS3121/TS3131A comparators function reliably in temperatures from -40°C to +125°C, making them suitable for industrial and automotive applications. With an embedded fail-safe circuit, these comparators can continue operating with biased input/output pins even when the supply pin is shut down to 0V. A guaranteed start-up time ensures stable output once the supply is reactivated. The compact package makes the devices ideal for space-constrained applications, helping to reduce overall PCB costs.

Features

  • 2mV maximum low offset voltage at +25°C (A-grade version)
  • 70μA typical low power consumption
  • 1.7V to 5.5V wide supply voltage range
  • 60ns propagation delay
  • Rail-to-rail input
  • Open-drain output
  • Fail-safe input/output pins
  • Input/output pins withstand voltages higher than VCC
  • Fail-safe architecture keeps output in high impedance when VCC = 0V
  • Guaranteed start-up time allows sequential on/off cycles of VCC 
  • 4kV HBM high ESD tolerance
  • -40°C to +125°C extended temperature range
  • AEC-Q100 qualified
  • Documentation available to aid functional safety system design

Applications

  • Industrial
  • Automotive
  • Power tools
  • Overcurrent protection
  • Controllers and sensors

Videos

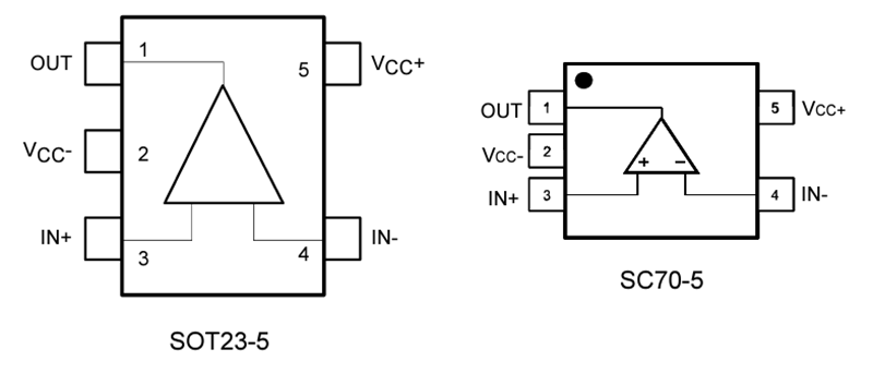
Pin connection

STMicroelectronics TS3121/TS3121A Automotive Single Comparators
發佈日期: 2024-09-30 | 更新日期: 2026-02-13