STMicroelectronics M1P45M12W2-1LA ACEPACK DMT‑32 Power Module

STMicroelectronics M1P45M12W2-1LA ACEPACK DMT‑32 Power Module realizes a six-pack topology with integrated NTC tailored for the DC/DC converter stage of the OBC. This power module is used in On-Board Charger (OBC). The M1P45M12W2-1LA power module guarantees the optimal balance between energy losses and high switching frequency operation mode. This power module creates complex topologies with very high power densities and high-efficiency requirements. This power module AQG 324 qualified. The M1P45M12W2-1LA power module features six silicon carbide Power MOSFETs of 2nd generation. 

Features

  • AQG 324 qualified
  • Integrated NTC temperature sensor
  • DBC Cu-AlN-Cu-based substrate to improve thermal performance

Specifications

  • 1200V drain-source breakdown voltage
  • 30A drain current (continuous) at TC=50°C
  • 95A drain current (pulsed, tp=1ms)
  • -40°C to 175°C operating temperature range

Applications

  • On Board Charger (OBC)

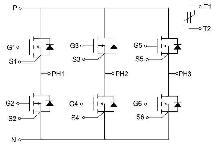
Electrical Topology

STMicroelectronics M1P45M12W2-1LA ACEPACK DMT‑32 Power Module

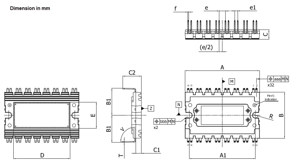
ACEPACK DMT‑32 Package Outline

Mechanical Drawing - STMicroelectronics M1P45M12W2-1LA ACEPACK DMT‑32 Power Module
發佈日期: 2024-09-18 | 更新日期: 2024-10-10