STMicroelectronics TDA7388A 4x42W Quad Bridge Car Radio Amplifiers
STMicroelectronics TDA7388A 4x42W quad bridge amplifiers are class AB audio power amplifiers in a Flexiwatt 27 package. These STMicroelectronics devices are designed for high-end car radio applications and high output power capability and low distortion and output noise. The TDA7388A features a fully complementary PNP/NPN output configuration, allowing a rail to rail output voltage swing with no need for bootstrap capacitors. TDA7388A quad bridge car radio amplifiers are also equipped with a Clipping detector and Offset detector features.Features
- High output power capability:
- 4x42W/4Ω max.
- 4x27W/4Ω @ 14.4V, 1KHz, 10%
- Low distortion
- Low output noise
- Standby function
- Mute function
- Automute at min. supply voltage detection
- Low external component count:
- Clipping detector
- Offset detector
- Diagnostic facility for:
- Out to GND short
- Out to VS short
- Thermal shutdown
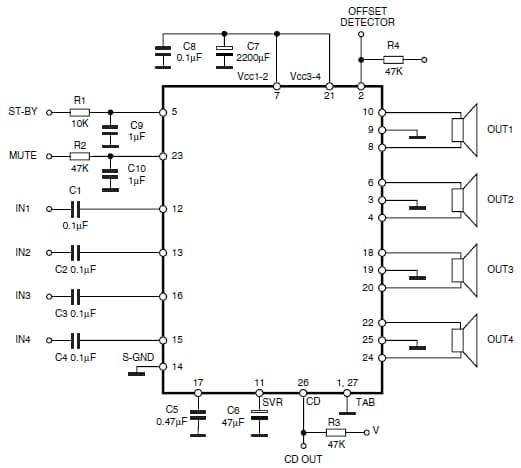
Application Circuit
發佈日期: 2011-11-14
| 更新日期: 2022-03-11
