Taiwan Semiconductor PUAD Ultra Fast Surface Mount Rectifiers

Taiwan Semiconductors PUAD Ultra Fast Surface Mount Rectifiers feature low power loss and 100V to 200V repetitive peak reverse voltage (VRRM). These rectifiers feature planar technology and high efficiency and are ideal for automated placement. The PUAD ultra-fast surface mount rectifiers offer moisture sensitivity level: level 1, per J-STD-020 and UL 94V-0 flammability rating. These rectifiers are RoHS-compliant and halogen-free. The PUAD ultra-fast surface mount rectifiers operate at -55°C to 175°C junction temperature range and are available in the ThinDPAK package. These rectifiers are ideally used in high-frequency switching, DC/DC, and snubber applications.

Features

  • Planar technology
  • Low power loss and high efficiency
  • Ideal for automated placement
  • Moisture sensitivity level 1, per J-STD-020
  • RoHS-compliant
  • Halogen-free

Specifications

  • -55°C to 175°C junction and storage temperature range
  • 100V to 200V repetitive peak reverse voltage (VRRM)

Applications

  • High-frequency switching
  • DC/DC
  • Snubber

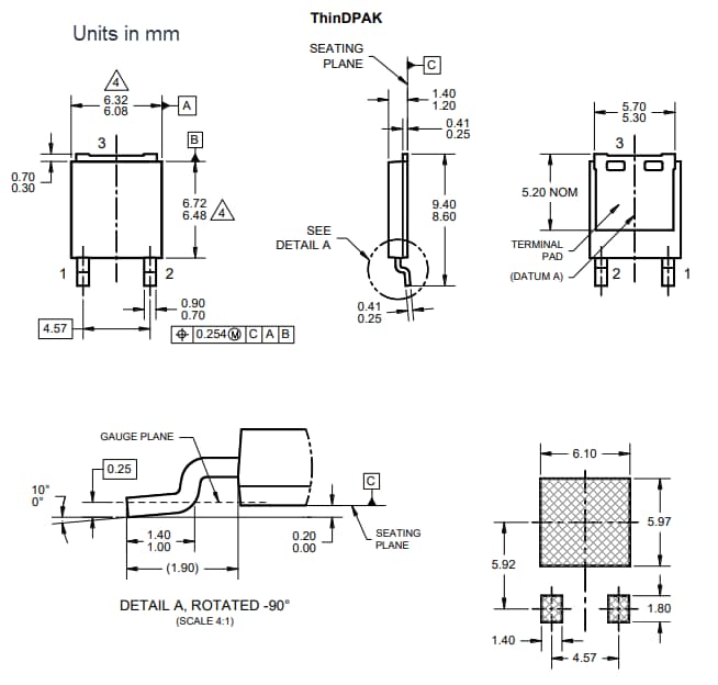
Package Outline Dimensions (ThinDPAK)

Mechanical Drawing - Taiwan Semiconductor PUAD Ultra Fast Surface Mount Rectifiers
View Results ( 24 ) Page
零件編號 規格書 Vr - 反向電壓 If - 順向電流 Vf - 順向電壓 最大衝擊電流 Ir - 反向電流 恢復時間
PUAD6JH PUAD6JH 規格書 600 V 6 A 1.43 V 170 A 2 uA 25 ns
PUAD10BC PUAD10BC 規格書
PUAD8BC PUAD8BC 規格書
PUAD8DC PUAD8DC 規格書
PUAD10BCH PUAD10BCH 規格書 100 V 10 A 880 mV 130 A 2 uA 20 ns
PUAD10DC PUAD10DC 規格書
PUAD4B PUAD4B 規格書
PUAD4D PUAD4D 規格書
PUAD4DH PUAD4DH 規格書 200 V 4 A 850 mV 130 A 2 uA 20 ns
PUAD6BC PUAD6BC 規格書
發佈日期: 2023-03-29 | 更新日期: 2024-02-07