Taiwan Semiconductor Dual N-Channel Power MOSFETs
Taiwan Semiconductor Dual N-Channel Power MOSFETs feature low drain-source on-state resistance, minimizing conductive losses. The devices enable a low gate charge for fast switching. Taiwan Semiconductor Dual N-Channel Power MOSFETs are ideal for BLDC motor control, battery power management, and DC-DC converter applications.Features
- Low RDS(ON) to minimize conductive losses
- Low gate charge for fast power switching
- 100% UIS and Rg tested
- RoHS compliant
- Halogen-free according to IEC 61249-2-21
Applications
- BLDC motor control
- Battery power management
- DC-DC converters
- Secondary synchronous rectification
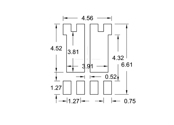
Dimensions (mm)
Pad Layout (mm)
發佈日期: 2019-10-21
| 更新日期: 2023-06-26
