TDK Corporation CCT Series Sensors

TDK Corporation CCT系列感測器

TDK CCT系列AC電流感測器內建開路保護裝置,並且為箝位型產品,可輕鬆安裝至現有的電力設備。此系列可搭配從繞線、捲線到焊接的自動製程,確保高品質且穩定的供電。

產品特色
  • 箝位型產品可輕鬆安裝至現有的電力設備
  • 可搭配從繞線、捲線到焊接的自動製程,確保高品質且穩定的供電
  • 內建開路保護裝置
  • 產品符合RoHS標準
 
應用
  • 適用於HEMS或BEMS等能源管理系統的電流感測
 

 
零件編號產品資料額定電流






Loading 第一頁 上一頁 下一頁 最末頁
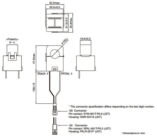
CCT323047型產品尺寸
CCT323047 Type Dimensions
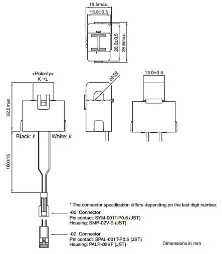
CCT261631型產品尺寸
CCT261631 Type Dimensions
eNews
  • TDK
發佈日期: 2015-02-13 | 更新日期: 2022-03-11