TE Connectivity LUMAWISE Type Z32 Solderless LED Holder
TE Connectivity's (TE) LUMAWISE Type Z32 LED Holder is a solderless, one-piece quick termination connector system for use with the Sharp Mini Zenigata LED, Lumileds, and Panasonic. This Type SMIZ assembly features poke-in wire termination for 22AWG to 20AWG solid and stranded wires. The socket allows the LED to be directly attached to the heat sink using two M2 screws and simplifies termination to the Mini Zenigata LED with an LED-clamp feature that retains the LED in the holder. This overall design, combined with an extremely low height of 3mm, prevents light blockage and gives maximum room for secondary optics. TE LUMAWISE Type Z32 LED Holder is ideal for spotlights, track lights, recessed downlights, and more.Features
- Very small form factor - 32mm diameter by 3mm high
- Reliable solderless power connection
- Secure mechanical attachment
- Stranded wire insertion feature for 22AWG to 20AWG stranded wire
- Tool-less termination of 22AWG to 20AWG solid wire
- Robust and visually appealing design
- Two side poke-in connections
- Silver-plated LED contact interface
- RoHS and REACH compliant
Specifications
- 60VDC voltage rating
- 500VDC dielectric withstand voltage
- Uses M2 screws
- Works with 22AWG to 20AWG solid, fused, and stranded wire
- Strip length of the wires needs to be 7mm
- -20°C to +90°C operating temperature range
- Mating cycles: 5 times on LED
- UL 94V-0 rating
Applications
- Spotlights
- Track lights
- Recessed downlights
- High bay lights
- Retrofit lamps
- Wall sconces
- Streetlights
- Runway lights
- Architectural lighting
- Reading lamps
- Sign and symbol luminaires
- Area and object lighting
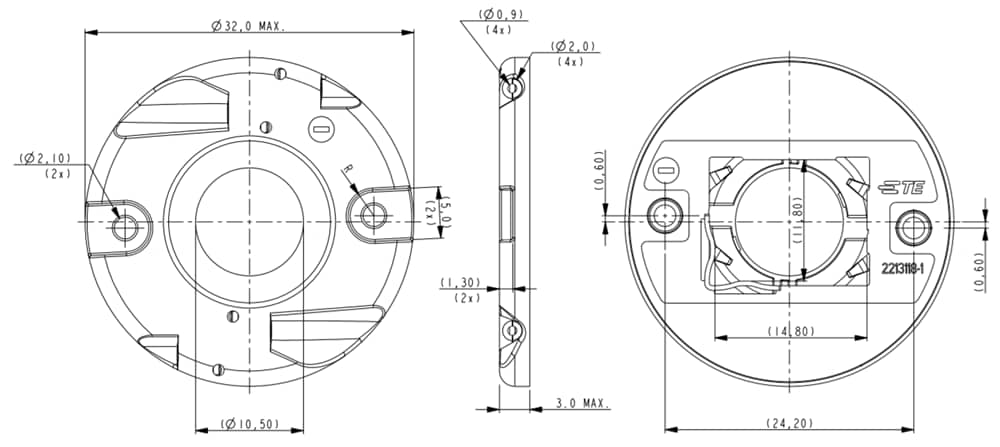
Dimensions
發佈日期: 2014-02-26
| 更新日期: 2022-03-11
