![]() | ||||||||||||||||||||||
TE Connectivity / CII FC-335通用繼電器TE Connectivity / CII FC-335通用繼電器為非閂鎖密封線圈類型,外型為3PST(三極單投)或NO(安全接點)。FC-335高電壓繼電器提供焊接鉤和螺絲接觸端子,可抑制28VDC線圈電壓。這些繼電器的主要接點適用於360至800 Hz可變頻率應用。FC-335繼電器的特色包括可用於80,000英尺海拔高度,具有3極35A接點、1.5立方英寸開關以及可承受50g/11 ms的衝擊。這些通用繼電器可在-70ºC至125ºC溫度範圍內運作。FC335繼電器採用防腐蝕金屬外殼設計,採用全焊接結構,並依據 | ||||||||||||||||||||||
|
產品特色
| ||||||||||||||||||||||
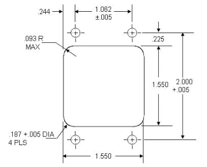
| 焊接鉤安裝佈局 | 螺絲安裝佈局 | |||||||||||||||||||||
| ||||||||||||||||||||||
![]() | ||||||||||||||||||||||
發佈日期: 2017-12-27
| 更新日期: 2023-05-04



