TE Connectivity KEB & KES 3相通用EMI濾波器

TE Connectivity (TE) KEB和KES 3相通用EMI過濾器是單機裝置,有3線Delta (KEB)和4線WYE (KES)兩種版本。TE KEB和KES 3相通用EMI濾波器採用鏟形、螺柱或防震端子,電流範圍為1A至150A,最大連續工作範圍為440VAC /520VAC 。應用包括工業自動化、HVAC、整流器和電腦數控(CNC)機器。

特點

  • 3線Delta (KEB) 或4線WYE (KES) 單級裝置
  • Y型端子、螺栓或防震端子
  • 通用型(3相,含中性端子)
  • 標準衰減效能
  • 機架安裝
  • UL認可及CSA認證

應用

  • 工業自動化
  • HVAC
  • 整流器 (KEB)
  • CNC機具 (KES)

規格

  • 最大連續作業電壓:440VAC / 520VAC
  • 40°C時,額定電流:1A至150A
  • 作業頻率:50 Hz/60 Hz
  • 作業溫度範圍:-25°C至+85°C

產品資料

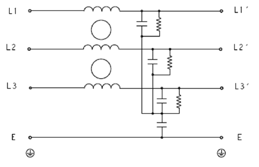
KEB 電路圖

應用電路圖 - TE Connectivity KEB & KES 3相通用EMI濾波器

KES電路圖

應用電路圖 - TE Connectivity KEB & KES 3相通用EMI濾波器
發佈日期: 2020-09-16 | 更新日期: 2024-10-09