Texas Instruments ADC356x Low-Noise Low Power ADCs
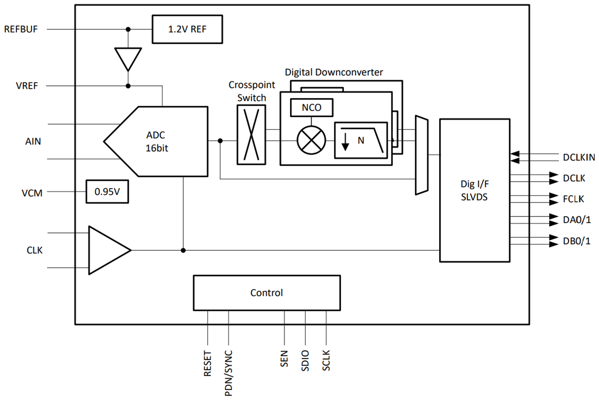
Texas Instruments ADC356x Low-Noise Low Power Analog-to-Digital Converters (ADCs) are low-noise ultra-low power 16-bit 10MSPS to 65MSPS high-speed ADCs. These devices deliver a noise spectral density of –158dBFS/Hz combined with excellent linearity and dynamic range designed for low power consumption. The ADC356x offers good DC precision and IF sampling support making the device suitable for a wide range of applications. High-speed control loops benefit from the short latency of only one clock cycle. The ADC power consumption that scales well with lower sampling rates and consumes only 122mW at 65MSPS.The Texas Instruments ADC356x uses a serial LVDS (SLVDS) interface to output the data, which minimizes the number of digital interconnects. The device supports two-, one- and half-lane options. The ADC356x and ADC358x are pin-to-pin compatible families with 16 and 18-bit resolutions and different speed grades. The devices come in a 40-pin QFN package (5mm x 5mm) and support the extended industrial temperature range from -40 to +105⁰C.
Features
- 16-Bit 10MSPS to 65MSPS ADC
- –158dBFS/Hz noise floor
- 77mW (10MSPS) to 122mW (65MSPS) low power consumption
- One clock cycle (1-wire SLVDS) latency
- Specified 16-bit, no missing codes
- INL: ± 3LSB; DNL: ± 0.7LSB
- Reference (external or internal)
- 900MHz (3dB) input bandwidth
- –40°C to +105°C industrial temperature range
- On-chip dual band digital filter (optional)
- Decimation by 2, 4, 8, 16, 32
- 32-bit NCO
- Serial LVDS digital interface (2-, 1- and 1/2-wire)
- 40-WQFN (5mm × 5mm) small footprint package
- Spectral performance (fIN = 10MHz)
- SNR: 81.9dBFS
- SFDR: 95dBc HD2, HD3
- SFDR: 100dBFS worst spur
Applications
- High-speed data acquisition
- Industrial monitoring
- Software-defined radio
- Power quality analyzer
- Source Measurement Unit (SMU)
- Communications infrastructure
- Spectrum analyzer
- Control loops
- Instrumentation
- Imaging
- Spectroscopy
- Radar
- Sonar
Functional Block Diagram
發佈日期: 2022-12-09
| 更新日期: 2023-01-05
