Texas Instruments ADC5140EVM-PDK Evaluation Module
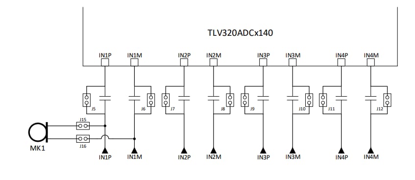
Texas Instruments ADC5140EVM-PDK Evaluation Module allows the user to test the capabilities of the TLV320ADC5140 ADC. The TLV320ADC5140 is a Burr-Brown™ high-performance, audio analog-to-digital converter (ADC) that supports simultaneous sampling of up to four analog channels or eight digital channels for the pulse density modulation (PDM) microphone input. The Texas Instruments ADC5140EVM-PDK is paired with the AC-MB (included in the kit), a flexible audio converter motherboard that provides power, control, and digital audio data to the evaluation module.Features
- Complete performance demonstration kit (PDK) for TLV320ADC5140
- High-performance audio ADC with 120dB dynamic range with dynamic range enhancer (DRE)
- Direct access to digital audio signals and control interface for simple end-system integration
- The onboard microphone provided for voice-recording testing
- USB connection to PC provides power, control, and streaming audio data for easy evaluation
- Easy evaluation and demonstration via PurePath™ Console software platform (PUREPATHCONSOLE)
Kit Contents
- ADC5140EVM-PDK evaluation module
- Audio converter motherboard (AC-MB)
Input Architecture Diagram
Overview
發佈日期: 2019-11-22
| 更新日期: 2024-02-02
