Texas Instruments AMC0380D & AMC0380D-Q1 Isolated Amplifiers
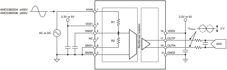
Texas Instruments AMC0380D and AMC0380D-Q1 Isolated Amplifiers are precision, galvanically isolated amplifiers with a high-voltage AC, high impedance input, and fixed-gain differential output. These amplifiers are available in ±400 and ±600V two linear input voltage ranges and achieve better than 1% accuracy over the full temperature range. The AMC0380D and AMC0380D-Q1 isolated amplifiers are available in a 15-pin, 0.65mm pitch SSOP package. The AMC0380D-Q1 devices are AEC-Q100 qualified for automotive applications. These amplifiers are available in a 15-pin, 0.65mm pitch SSOP package with a fully specified over the temperature range from -40°C to 125°C. Typical applications include Server Power-Supply Units (PSU), Energy Storage Systems (ESS), solar inverters, EV charging stations, and traction inverters
Features
- Integrated, high-voltage resistive divider for direct AC voltage sensing without external resistors
- Differential output
- Supply voltage range:
- 3V to 5.5V high-side (VDD1)
- 3V to 5.5V low-side (VDD2)
- Low DC errors:
- ±0.8mV (maximum) offset error
- ±10µV/°C (maximum) offset drift
- ±0.25% (maximum) attenuation error
- ±40ppm/°C (maximum) attenuation drift
- 0.025% (maximum) nonlinearity
- 150V/ns (minimum) high CMTI
- Meets CISPR-11 and CISPR-25 limits, low EMI
- Available input options:
- AMC0380D04: ±400V, 8.3MΩ
- AMC0380D06: ±600V, 10MΩ
- Safety-related certifications:
- 7000VPK reinforced isolation per DIN EN IEC 60747-17 (VDE 0884-17)
- 5000VRMS isolation for 1 minute per UL 1577
- -40°C to 125°C fully specified over the extended industrial temperature range
- AEC-Q100 qualified for automotive applications (AMC0380D-Q1)
Applications
- Server Power-Supply Units (PSU)
- Energy Storage Systems (ESS)
- Solar inverters
- EV charging stations
- Traction inverters
- Onboard chargers
- DC/DC converters
- Battery junction boxes
Functional Block Diagram
Typical Application Diagram
