Texas Instruments BQ25185 Linear Battery Charger IC
Texas Instruments BQ25185 Linear Battery Charger IC is a 1-cell, 1A stand-alone linear battery charger with power path and solar input support. This linear charger IC focuses on small solution size and low quiescent current to extend battery life. The BQ25185 charger features an operating 3V to 18V input voltage range, 25V tolerant input voltage, up to 3.125A system loads, and 4.5V regulated system voltage (SYS). The BQ25185 charger IC uses a standard Li-ion or LiFePO4 charge profile with three phases: precharge, constant current, and constant voltage. This battery charger IC is available in a small leadless package with a thermal pad that gives a thermal performance. Typical applications include TWS headset and charging case, smart glasses, AR, VR, wearable devices, retail automation and payment, and building automation.Features
- 1A linear battery charger:
- 3V to 18V input voltage operating range
- 25V tolerant input voltage
- External resistor programmable operation:
- ILIM/VSET sets battery regulation voltage to 3.6V, 3.65V, 4.02V, 4.1V, 4.2V, 4.35V, or 4.4V
- ILIM/VSET sets input current limit to 100mA, 500mA, or 1100mA
- ISET to set charge current from 5mA to 1A
- Li-ion, Li-Poly, and LiFePO4 chemistries support
- 115-mΩ battery FET ON resistance
- Up to 3.125A discharge current to support high system loads
- Power path management for powering the system and charging the battery:
- Regulated system voltage (SYS) at 4.5V
- Configurable input current limit
- USB Suspend mode supported
- Battery Tracking input voltage dynamic power management (VINDPM) for high-impedance input sources
- Dynamic power path management optimizes charging from weak adapters
- Ultra-low quiescent current:
- 4µA in battery-only mode
- 30µA input adapter Iq in sleep mode
- 3.2µA battery discharge current in factory mode
- Integrated fault protection:
- Input Overvoltage Protection (VIN_OVP)
- Battery Undervoltage Protection (BUVLO)
- Battery Short Protection (BATSC)
- Battery Overcurrent Protection (BATOCP)
- Input current limit protection (ILIM)
- Thermal Regulation (TREG) and Thermal Shutdown (TSHUT)
- Battery thermal fault protection (TS)
- Safety timer fault
- ISET and ILIM/VSET pin short/open protection
Applications
- TWS headset and charging case
- Smart glasses, AR, and VR
- Wearable devices such as smartwatches
- Retail automation and payment
- Building automation
Application Circuit Diagram
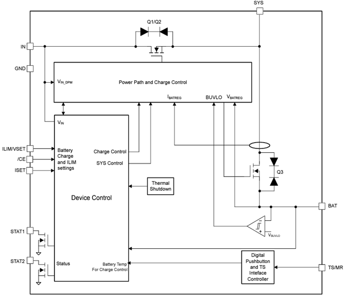
Functional Block Diagram
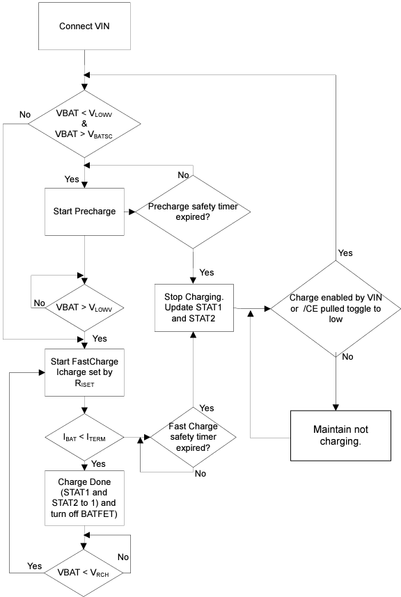
Charger Flow Diagram
發佈日期: 2024-01-03
| 更新日期: 2024-01-29
