BQ25504是同系列中的首款能達到高效率升壓轉換器/充電器目標導向產品和系統的裝置,包括對電源和操作有嚴格要求的無線感測器網路 (WSN)。Texas Instruments BQ25504的設計源自於僅需微瓦電力即可操作的DC-DC升壓轉換器/充電器。
特點
- 超低功率且高效率的DC/DC升壓轉換器/充電器
- 來自低輸入來源的持續能量收集
- VIN ≥ 80mV(典型值)
- 超低靜態電流:IQ < 330nA(典型值)
- 冷啟動電壓:VIN ≥ 330mV(典型值)
- 來自低輸入來源的持續能量收集
- 可編程動態最大功率點追蹤 (MPPT)
- 整合式動態最大功率點追蹤,可從各種能源中獲得最佳能量
- 輸入電壓調節可防止崩潰的輸入源
- 能量儲存
- 能量可儲存於可充電鋰離子電池、薄膜電池、超級電容器或傳統電容器
- 電池充電及保護
- 使用者可編程欠壓/過電壓電平
- 帶可編程過熱關斷的片上溫度感測器
應用
- 能量收集
- 太陽能充電器
- 熱電發電機 (TEG) 採集
- 無線感測器網絡 (WSN)
- 工業監管
- 環境監控
- 橋式/結構健康監控 (SHM)
- 智慧建築控制
- 便攜式和可穿戴健康裝置
- 娛樂系統遠端控制
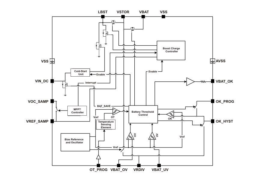
結構圖
發佈日期: 2012-03-26
| 更新日期: 2020-12-14

