Texas Instruments bq25898C I2C Controlled Single Cell 3A Charger IC

Texas Instruments bq25898C I2C Controlled Single-Cell 3A Charger IC is a highly-integrated switch-mode battery charge management and system power path management device for a single cell Li-Ion and Li-polymer battery. The device supports high input voltage for charging. The low impedance power path optimizes switch-mode operation efficiency, reduces battery charging time, and extends battery life during discharging phase. The I2C serial interface with charging and system settings makes the Texas Instruments bq25898C a truly flexible solution.

Features

  • Operation as slave charger to provide fast charging in dual charger operation
  • Simple configuration with minimum BOM
  • High-efficiency 3A, 1.5MHz switch-mode buck charge
    • 92% charge efficiency at 3A and 94% charge efficiency at 2A charge current
    • Optimize for high-voltage input (9V/12V)
    • Low-power PFM mode for light load operations
  • Single input to support USB input and adjustable high voltage adapters
    • Support 3.9V to 14V input voltage range
    • Input current limit (100mA to 3.25A with 50mA resolution) to support USB2.0, USB3.0 standard, and high voltage adapters
    • Wide input Dynamic Power Management (DPM) range
  • Highest battery discharge efficiency with 5mΩ
  • Default charge disabled
  • Integrated ADC for system monitor (voltage, charge current)
  • Flexible autonomous and I2C mode for optimal system performance
  • Remote battery sensing
  • High-integration includes all MOSFETs, current sensing, and loop compensation
  • High-accuracy:
    • ±0.5% charge voltage regulation
    • ±5% charge current regulation
    • ±7.5% input current regulation
  • Safety:
    • Thermal regulation and thermal shutdown
    • Input UVLO/overvoltage protection
    • Battery OVP
    • Safety timer

Applications

  • Smartphone
  • Tablet PC
  • Portable internet devices

Simplified Schematic Diagram

Schematic - Texas Instruments bq25898C I2C Controlled Single Cell 3A Charger IC

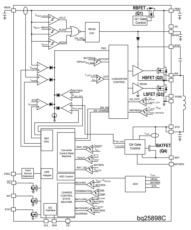
Block Diagram

Block Diagram - Texas Instruments bq25898C I2C Controlled Single Cell 3A Charger IC
發佈日期: 2016-05-23 | 更新日期: 2022-03-11